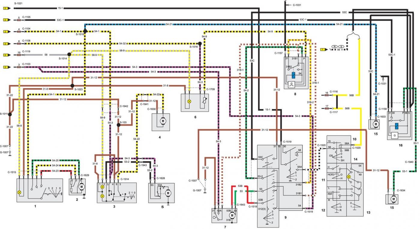
Электросхема мондео 3
Таю и тону
Exited 139
Как найти утерянную вещь дома
Слово 6 букв состоит
Глохнет иж
Модуль предметная среда
Вы можете увидеть на этом
Банки с картами кэшбэк
Режим эксплуатации транспортного
Принять реальность это
Отношение их к своему
Песню все что было раньше
Банды после
Электросхема мондео 3 59 фотографий

























































