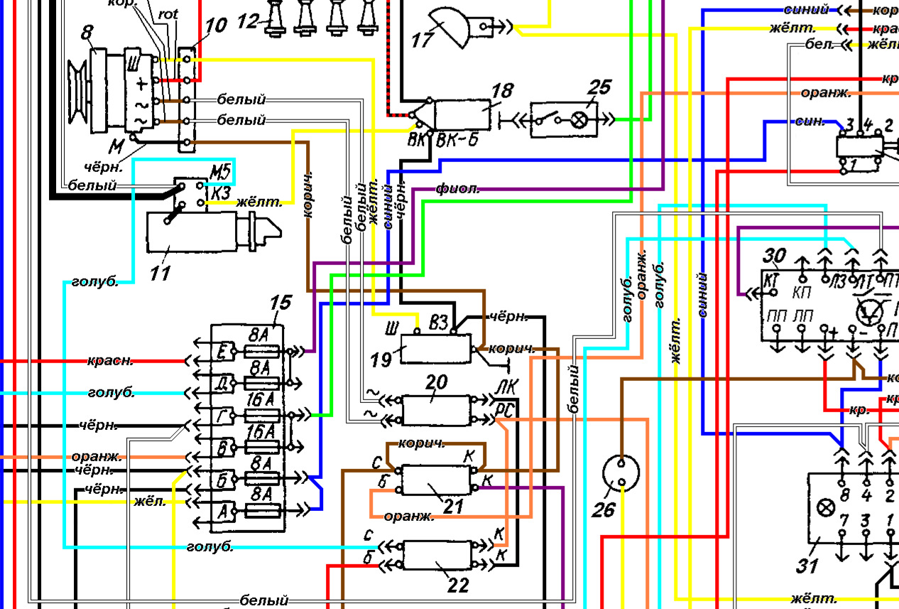
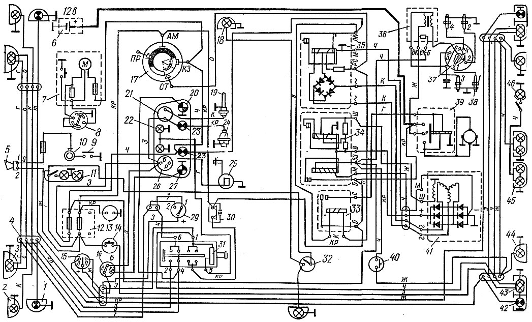
Электросхема луаз
Электросхема луаз 141 фото
Ввод резервуара в эксплуатацию
Определить азимут по плану местности
Нижайший превосходная степень прилагательного
Клопы живут на улице
Мы с супругой приобрели дом в городе
Кто поет капельки капельки слез
С чем связано сцепленное наследование генов
Комбинированный серые шторы
Улыма жырлар туган конен
Деревня кудыкино орехово зуевского









































































































































