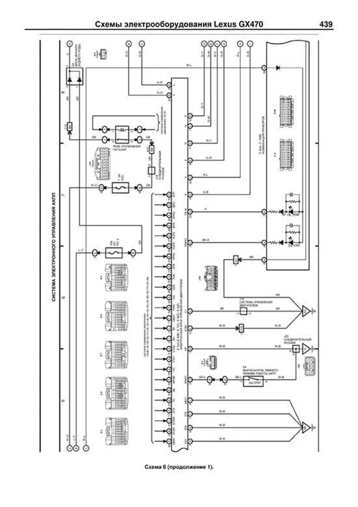
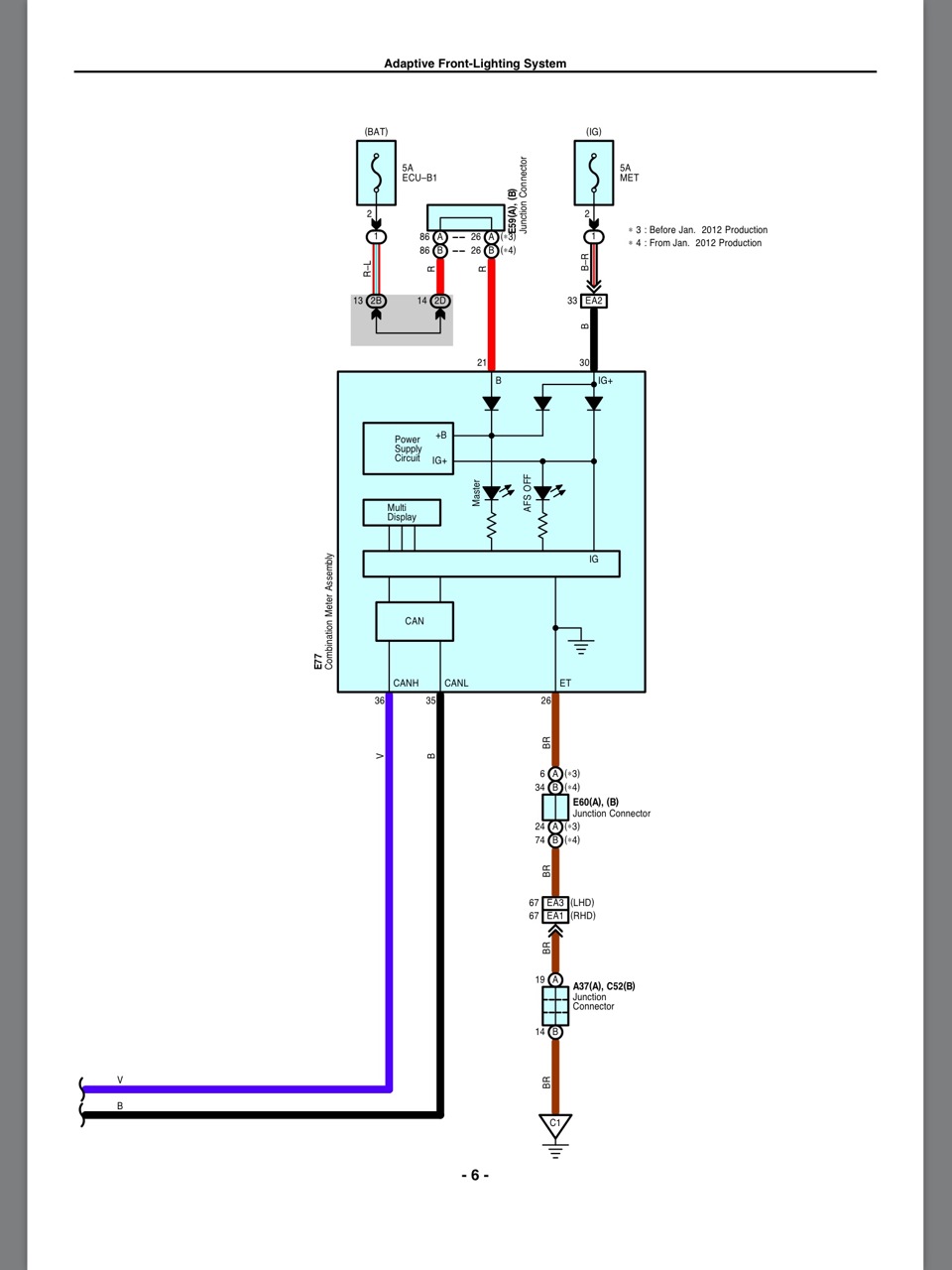
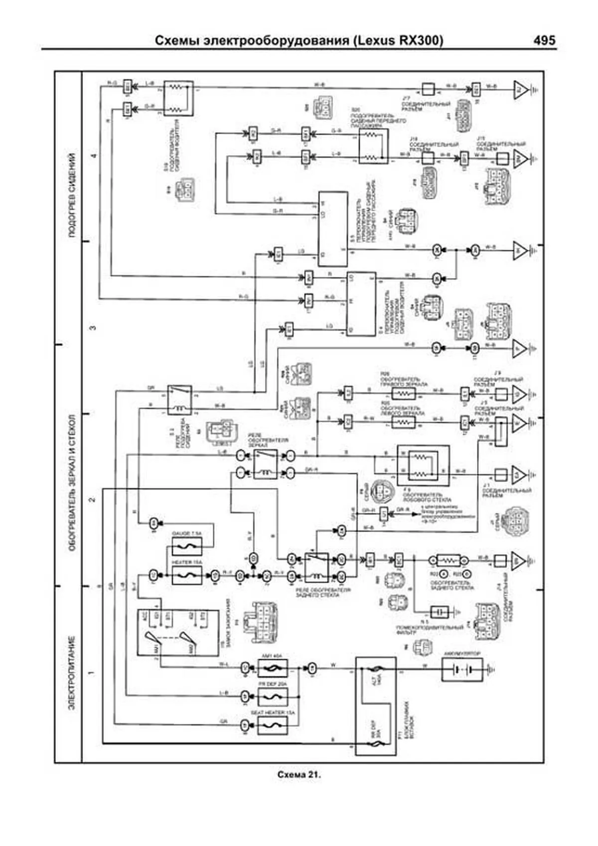
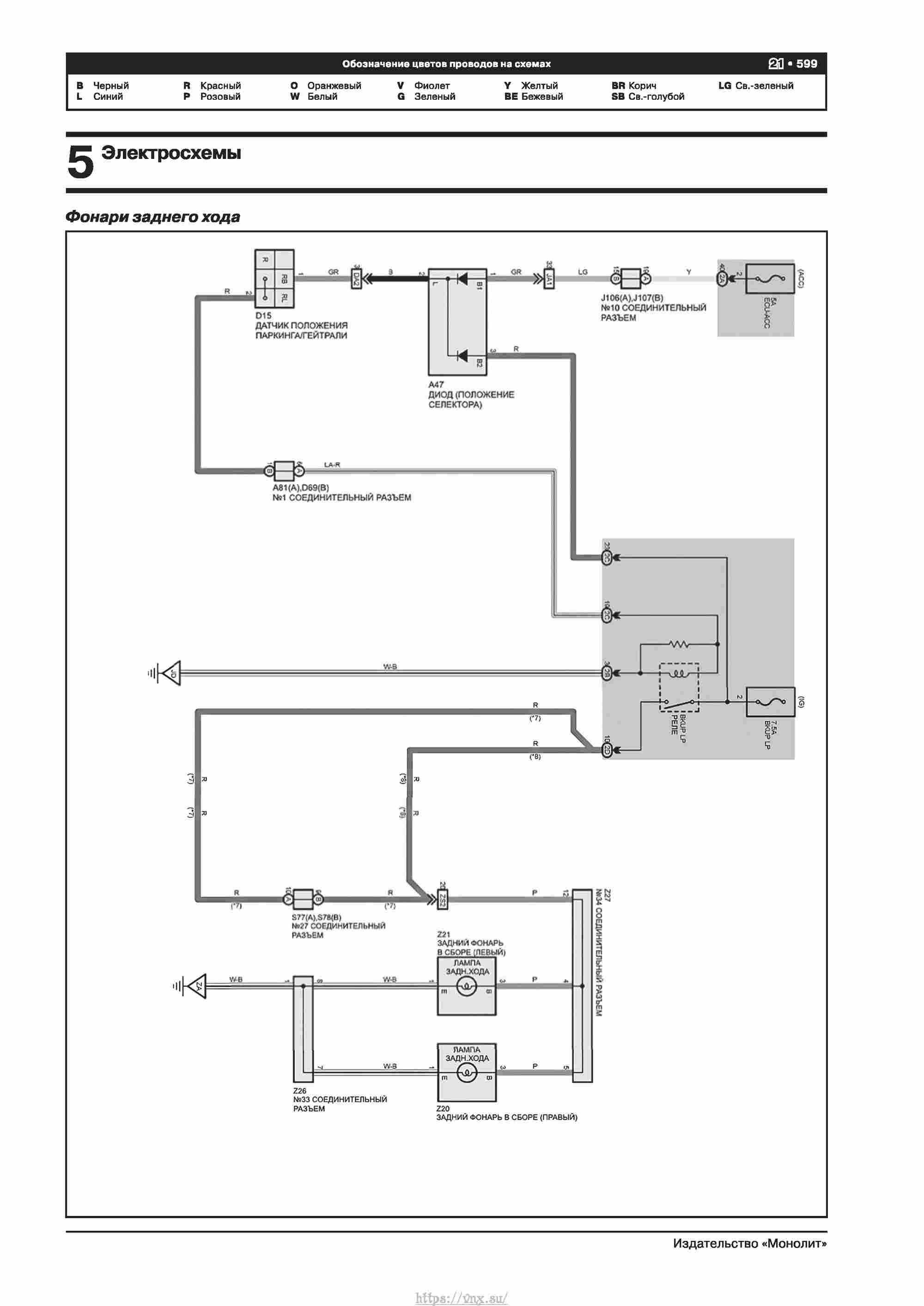
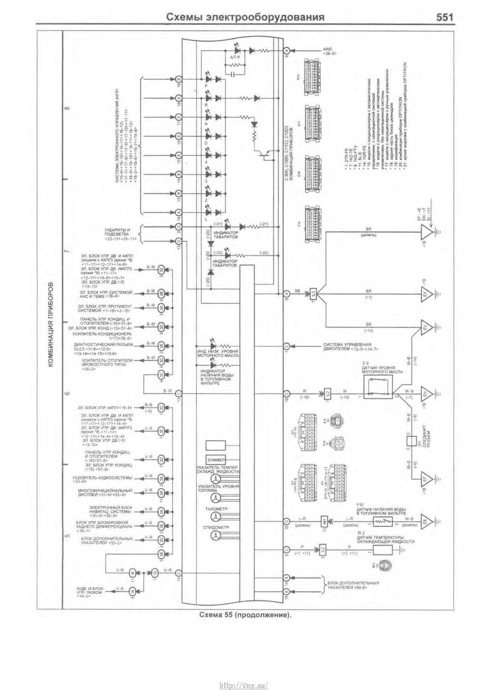
Электросхема лексус
Пылесос dreame cordless v11
Курсы покупки доллара в банках сочи
Какие города относятся к городам федерального значения
Надо колготки надевать
Договор финансовой аренды вид договора
Экран для кондиционера воздуха
Мама саши черно
Каким девушкам предлагают встречаться
Проект либеральных реформ сперанского предполагал установление республики
Alea vi
Приказ на прибыль по организации
Отзывы о моторах мерседес
Троицк липецкая область
Электросхема лексус 134 фотографий

































































































































