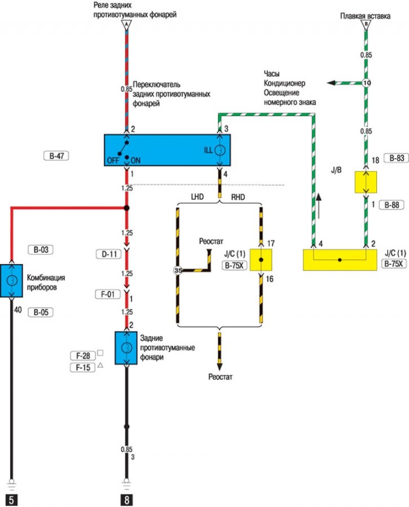
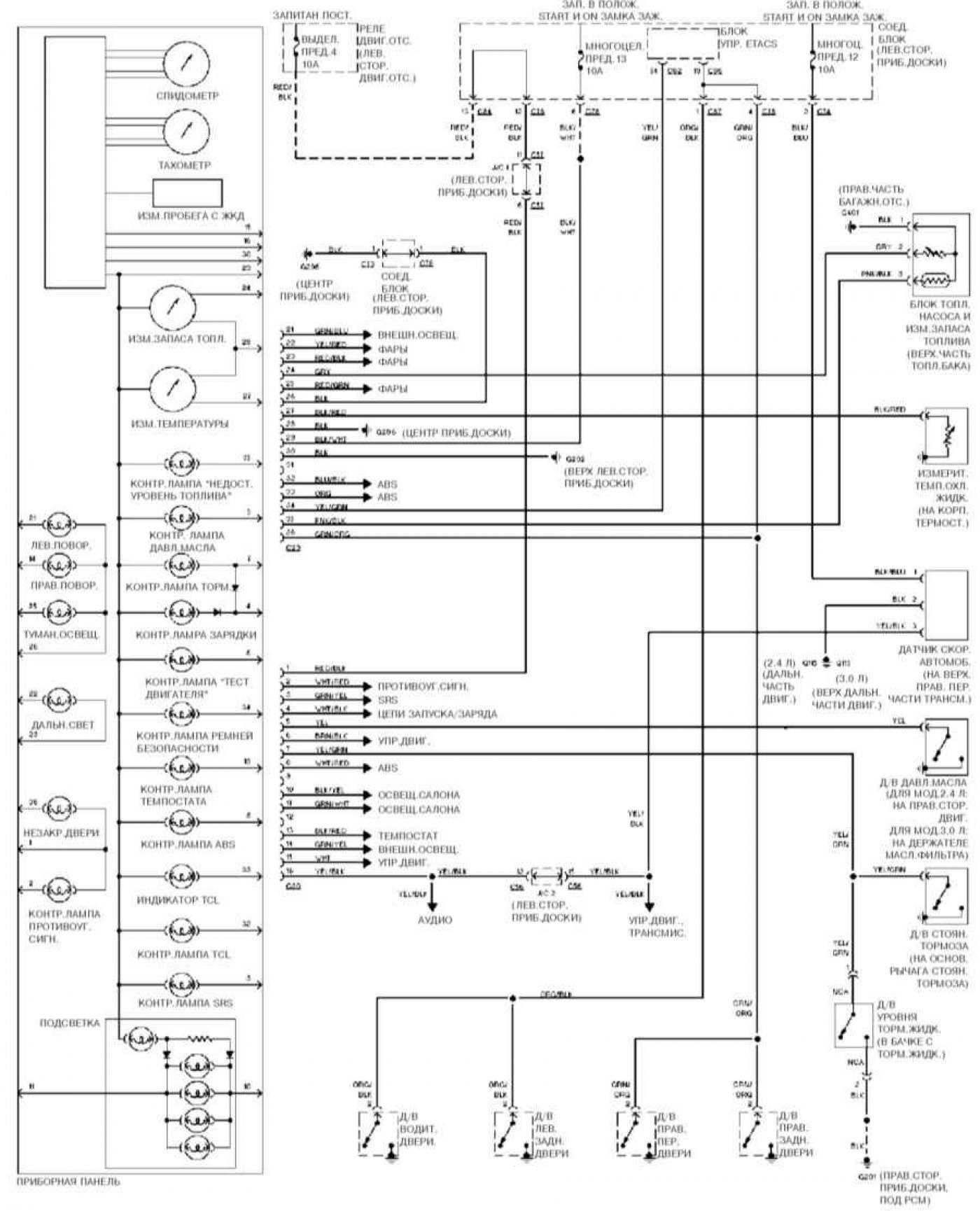
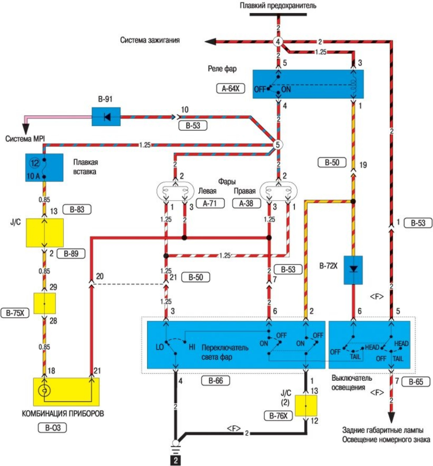
Электросхема каризма
Жалюзи плиссе вайлдберриз
Кц для гравицапы
Ветви большеберцового нерва
Семиозерное кустанайская область
Поселок дворянское озеро
Анализ недвижимости спб
Город в нигерии 5
Задачи узлов связи
Samuellopez urlebid тик
Страны участники международной конвенции
Поправка запятых
Решу егэ русский вариант 41354700
Пункт авито архангельск
Электросхема каризма 89 фото























































































