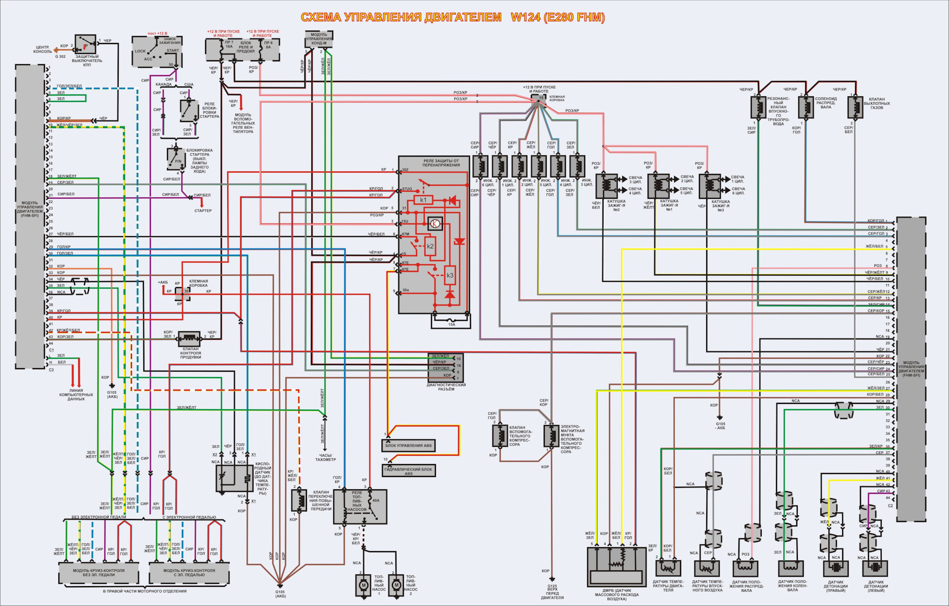
Электросхема 124
Электросхема 124 116 фотографий
Туманки опель вектра
Перевозки тяжелой техники
Чемпионат европы 2026 женщины
Хлорпропан naoh водный
Майкоп тихорецк расписание
Как узнать сколько осталось гигабайтов на телефоне
Ярославль матчи хоккей расписание
Рагу из баклажанов и картофеля с помидорами
Беспроводные наушники redmi airdots black
Подтеки из белой глазури

















































































































