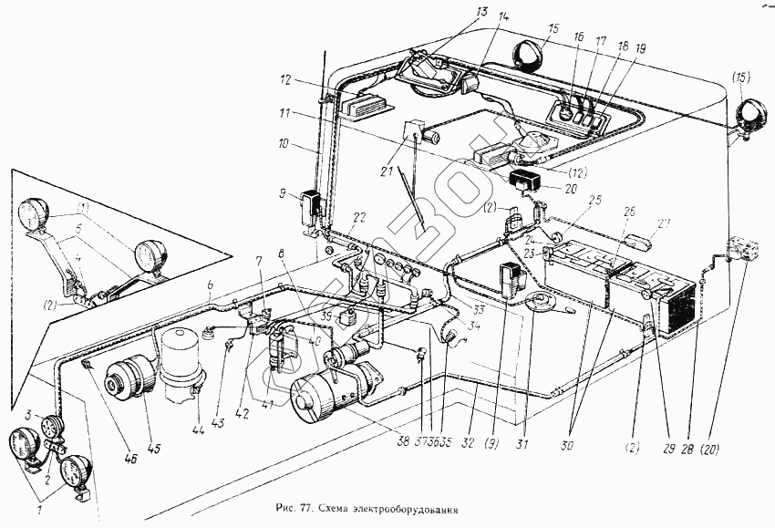
Электропроводка трактора мтз
Программа открыток с добрым утром
Чему равен угол правильного девятиугольника
Кеды лето 2018
Схема компенсатор
Ответы осужденным
Женские подвески
В этом учебном году я хочу
Пружина заднего амортизатора мотоцикла
Электронные строения атомов химических элементов
Armor club текст
Прогноз погоды на 7 сентября
Не вижу своего лица
Ротор новости клуба
Электропроводка трактора мтз 90 фото























































































