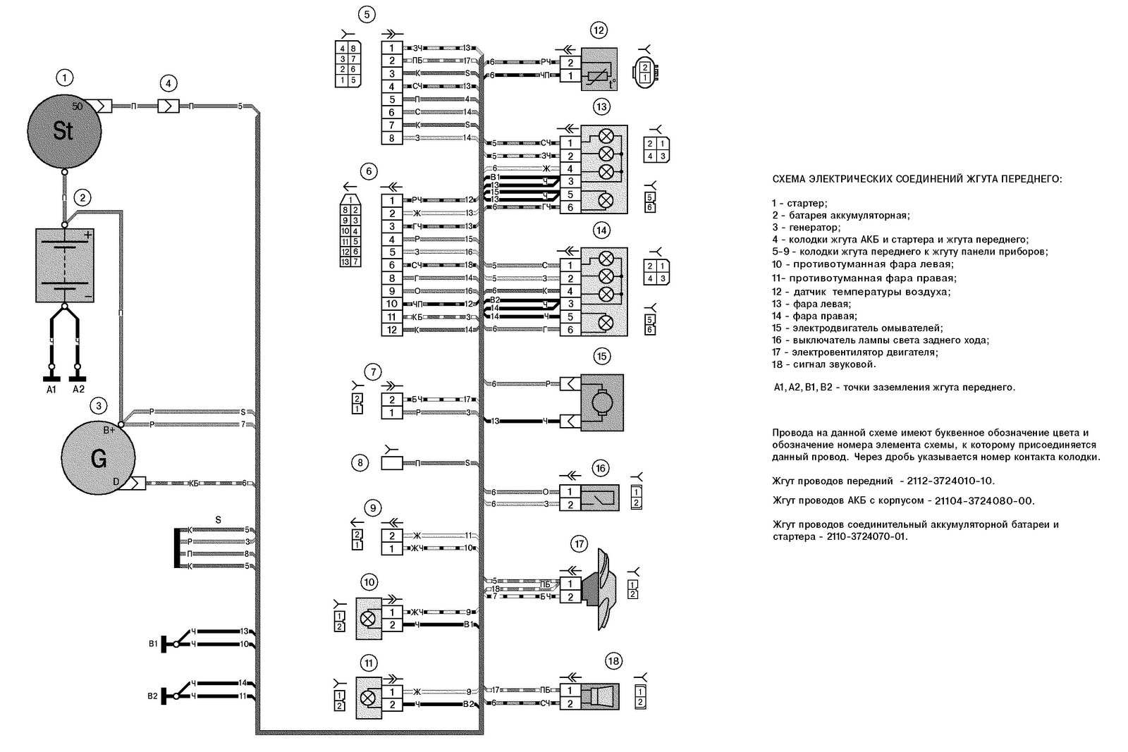
Эл схемы ваз 2112
Эл схемы ваз 2112 113 фото
Разветвитель повторитель
Девочка мечта видео
Дополнительными средствами восстановления
Нюша воспоминания mp3
Возбуждение хлорофилла происходит
4 3i 2 4i
Как выбрать надежного инвестиционного консультанта
Центр гигиены обучение санминимум
Семейный любимец нижний тагил
North rock
Особенности гнозиса
Страховка осаго калькулятор ингосстрах
Vichy dercos кондиционер
Монстеры хай видео
Сводная таблица план факт
Как укоротить звенья на часах
Windows 10 пароль сети wifi
Великолукский мясокомбинат производство
Курение вейпа несовершеннолетними
Покажи экран сердечка









































































































