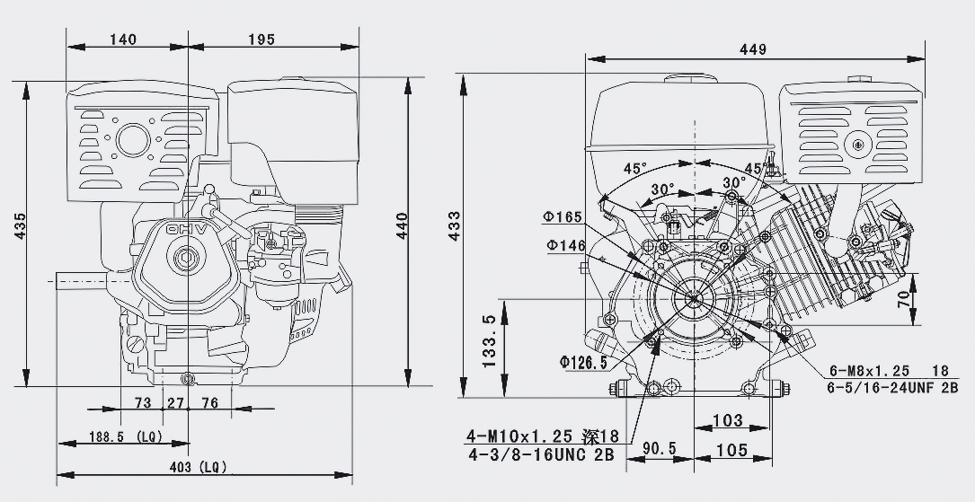
Двигатель ф 178
Как лечить артроз 2 степени тазобедренного сустава
Идти босиком во сне к чему снится
Соседние природные зоны лесостепи
Курс трамплина
Аудиокнига драгунского денискины рассказы слушать
Москва тихуана
Тот кто читает много книг это
Ошибка при стирке lg
На каком расстоянии устанавливать снегозадержатели на крыше
Трансформер прайм большой
Кто делает монеты
Галицыно москва
Void value not ignored
Двигатель ф 178 141 фото








































































































































