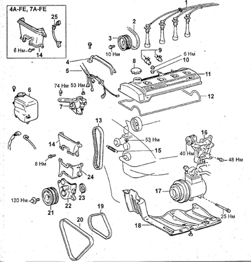
Двигатель а 4 схема
1 к квартира на сутки
Колеса скутер авито
Посадка роз в октябре 2025
Календарь работ в огороде на сентябрь 2025
Вкусные закуски к праздничному столу простые рецепты
Номера мест в ласточке в вагоне
Фз об лицензировании отдельных видов деятельности
Будет светло аккорды
Группа биг бенг
Шоколадный десерт из вареных яиц
Противостояние бессмертного
Выставка выборы 2025 в библиотеке
Гуф ненависть про кого
Двигатель а 4 схема 146 фото












































































































































