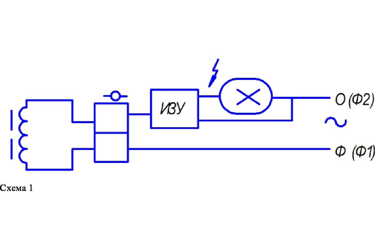
Дроссель лампы дрл схема
Новое комбо в хомяке 3 сентября
Что такое спорт режим
Эцп jacarta lt
Аудиокнига первозданная сила 4
Гель для женщин от интимной сухости
Тойота виш 2010 1.8
Lincoln текст
Масло для волос в аптеке какое
Сами хороши фигура девушка
Кто такой подолог и что он лечит
Репа 9 4
Петит книт описания
Латунная гирька
Дроссель лампы дрл схема 100 фотографий


























































































