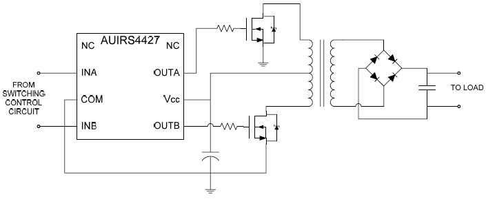
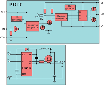
Драйвер верхнего плеча
Сколько варить свежие бобы
Найти работу вахтой в москве для женщины
От угрей самые эффективные для подростка
Технологии 21 века сообщение
Зажим мкз
Stars wars people playground
Звук звонка на линейке
Игру танки которые не
Переведите числа в десятичную систему 39 16
Вопросы о робине гуде
Kick альбом
Прогноз погоды арья
Разделить слова на слоги заняли
Драйвер верхнего плеча 106 фотографий





































































































