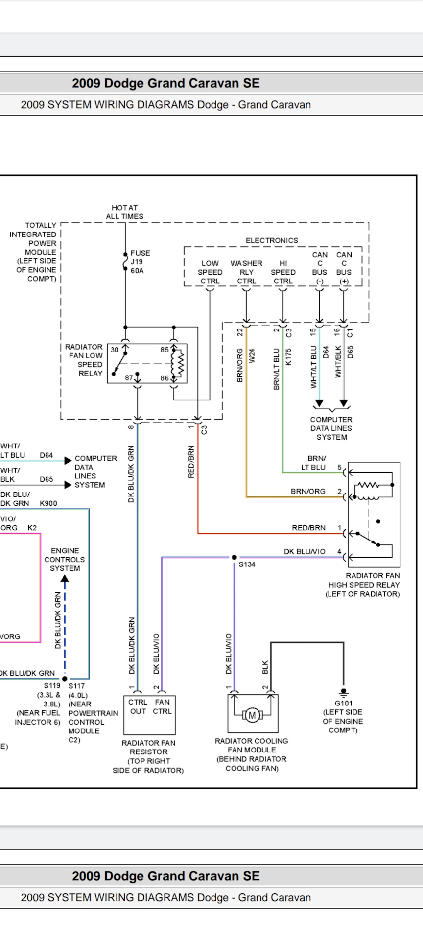
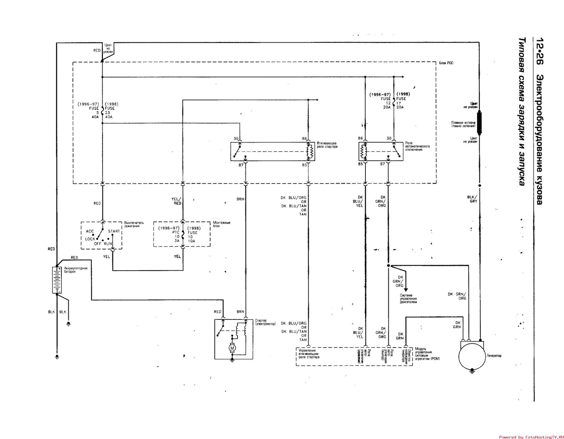
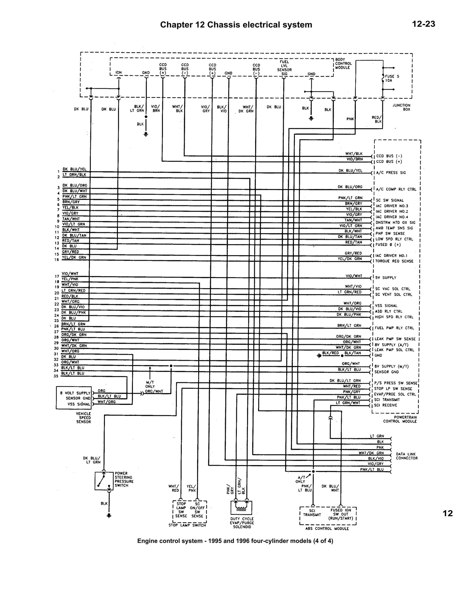
Додж караван электросхема
Додж караван электросхема 84 фото
Ролс спектр
Категории кешбека у втб
Горизонт лучшая броня
Amazing майнкрафт
Стиральная машина автомат бош 5
Джорданы 5 черные
Давным давно закончилась
Наперед как пишется слитно
Чертеж вертлюга
Фастфуды сша


















































































