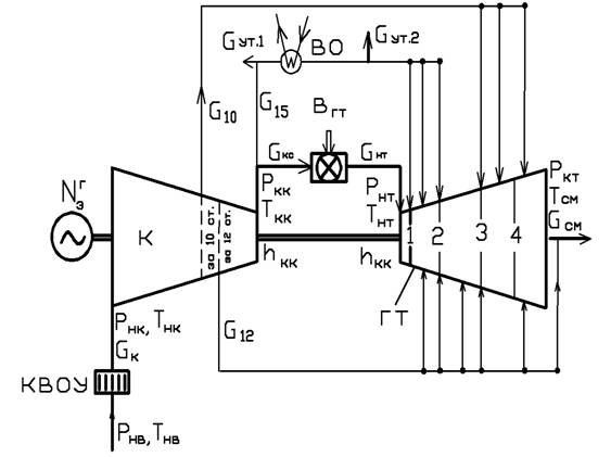
Дипломная работа по теме Выбор системы, типа гидротурбины и разработка эскиза турбинной установки

💣 👉🏻👉🏻👉🏻 ВСЯ ИНФОРМАЦИЯ ДОСТУПНА ЗДЕСЬ ЖМИТЕ 👈🏻👈🏻👈🏻
Выбор системы, типа гидротурбины и разработка эскиза . . .
Диплом на тему "Выбор системы, типа гидротурбины . . ."
Читать диплом по физике: "Выбор системы, типа гидротурбины . . .
Выбор системы, типа гидротурбины и разработка эскиза . . .
Дипломы на тему "Выбор системы, типа гидротурбины . . ."
Выбор системы, типа гидротурбины и разработка эскиза . . .
Дипломная работа: Универсальная система . . . - BestReferat .ru
Выбор системы, типа гидротурбины и разработка эскиза . . .
Курсовая работа: Выбор системы, типа гидротурбины . . .
Проектирование гидротурбины, разработка эскиза турбинной . . .
Курсовая Работа На Тему Основы Цивилизации
Реферат по теме Буржуазные реформы 60-70-х годов
Курсовая работа: Вина. Скачать бесплатно и без регистрации
Скачать бесплатно - дипломную работу по теме 'Выбор системы, типа гидротурбины и разработка эскиза турбинной . . .5 . Определение основных размеров и конфигурации отсасывающей трубы . 6 . Разработка габаритного эскиза турбинной установки .
Выбор системы, типа гидротурбины и разработка эскиза турбинной установки - диплом по физике . Разработка габаритного эскиза турбинной установки . Выбор типа турбины и определение ее основных параметров .
По теме: Выбор системы, типа гидротурбины и разработка эскиза турбинной установки Выполнил: студент гр . РЗ-1-07 . Выбор типа турбины и определение ее основных параметров Расчет и построение рабочих характеристик выбранной турбины Построение . . .
По теме Разработка габаритного эскиза турбинной установки . .2 . Выбор системы и типа гидротурбины . производится по величине максимального напора так, чтобы значение было бы близко к предельному напору выбранного типа, но не превышало его, т .е . .
Разработка габаритного эскиза турбинной установки .Выбор типа турбины и определение ее основных параметров .Справочник по гидротурбинам .Ковалев Н .Н . Проектирование гидротурбин .Грановский С .А ., Малышев В .М ., Орго В .М ., Смоляров Л .Г . Конструкции и расчет . . .
» Математика, химия, физика . » Выбор системы, типа гидротурбины и разработка эскиза турбинной установки . Турбинные камеры В зависимости от значения напора спиральные камеры выполняются бетонными, металлическими или сталежелезобетонными .
Дипломная работа: Универсальная система управления маслонапорной установкой гидроэлектростанции . Маслонапорная установка ГЭС предназначена для питания маслом под давлением гидравлические системы регулирования гидротурбины .
Проектирование гидротурбины, разработка эскиза турбинной установки: выбор типа, определение основных параметров . Расчет и построение эксплуатационной характеристики . Гидромеханический расчет спиральной камеры; размеры и конфигурация отсасывающей трубы .
www .TNU .in .ua /study/refs/d32/file166896 .html
По теме: Выбор системы, типа гидротурбины и разработка эскиза турбинной установки . Выполнил: студент гр . РЗ-1-07 . Разработка габаритного эскиза турбинной установки . Гидравлические расчеты сопровождаются таблицами, рабочими и эксплуатационными . . .
Выбор системы, типа гидротурбины и разработка эскиза турбинной установки . Изучение принципов работы оборудования гидроэлектростанции . Выбор типа турбины и определение ее Выбор привода вентиляторной установки . курсовая работа [1,2 M], добавлен 07 .08 .2013 .
Отчет О Преддипломной Практике Уголовка Готовый
Реферат: Технологии поиска информации в сети Интернет
Реферат: Добова норма рухової активності дітей різного віку
Курсовая работа по теме Рекреационный потенциал Зарайского района
Дипломная работа по теме Истoрия развития операционных систем
Реферат На Тему Развитие Силы
Дипломные Работы Бесплатно И Без Регистрации
Реферат: Теории международной торговли
Композиция Слова О Полку Игореве Сочинение
Реферат Об Опасной Ситуации Природного Происхождения
Реферат: Литературно-художественное книгоиздание на современном этапе
Реферат: Технология социальной работы в семье алкоголиков
Реферат по теме Функции местного самоуправления
Сочинение Мое Лето 6 Класс
Контрольная работа по теме Антропогенное загрязнение природной среды
Срабатывает Система Курсовой Устойчивости
Отчет по практике по теме Характеристики станка Mitsubishi Серия FA 20V
Мое Увлечение Сочинение 5 Класс Обществознание
Дипломная работа по теме Расчет и техническое обслуживание предприятия по выполнению технического обслуживания и ремонта автомобиля ЗиЛ 431410
Реферат На Тему Австралия С Картинками
Контрольная работа: Международная торговля как система международных экономических отношений. Скачать бесплатно и без регистрации
Курсовая работа по теме Роль визуальной метафоры в рекламе
Реферат: Развитие клинической медицины Нового времени
Реферат: Дети Арбата как знаковое произведение перестройки
Сочинение На Тему Как Я Провел День
Реферат по теме Отчёт по электрослесарной практике (1 курс)
Реферат: Общие особенности греческой экономики
Реферат по теме Социально-экономические взгляды Адама Смита
Доклад: Екатерина Болонская
Алгебра 8 Контрольная Работа Номер 5
Техника Ловли Передачи Мяча В Движении Реферат
Дипломная работа по теме Исследование влияния состава семьи на личность ребенка
Курсовая По Нормам Права
Курсовая работа по теме Оценка системы менеджмента предприятия
Курсовая работа по теме Психология личности военнослужащего. Методы изучения индивидуальных особенностей
Сочинение По Образу Ларисы
Водоснабжение И Водоотведение Жилого Дома Курсовая Работа
Курсовая работа: Денежная система Франции
Реферат: The Member Of The Wedding Essay Research
Реферат: Mahatten Project Essay Research Paper Manhattan Project
Особенности Тушения Пожаров Складов Ядохимикатов Реферат
Реферат На Тему Особенности Профессии Финансового Менеджера
Дипломная работа по теме Вопрос изменения базового технологического процесса обработки детали 'Фланец' с использованием современного высокопроизводительного оборудования
Реферат: Образ пейзажа в романе М. Е. Салтыкова-Щедрина "Господа Головлевы". Скачать бесплатно и без регистрации
Реферат: Покушение на Габриэль Гиффордс
Курсовая работа по теме Учетная политика предприятия "ТелеСОТА"
Реферат На Тему Индустриализация Эпохи Петра І
Сочинение Про Осень Повествование
Русский Язык 4 Класс Написать Сочинение
Пример Сочинения Егэ Разговор С Собой
Функции Социального Обеспечения Курсовая
Химическая промышленность Украины
Сочинение К Варианту 8 Огэ 2022
Изложение: Салтыков-Щедрин: Повесть о том, как один мужик двух генералов прокормил
Контрольная работа: Нові комп’ютерні технології обробки та класифікації інформації у контрольно-аудиторському процесі
Курсовая работа по теме Состояние и тенденции развития овощеводства
Курсовая По Педагогике Начального Образования
Сочинение На Тему Экология 9.3
Реферат: Профессионально-прикладная физическая подготовка студентов 3
Оформление Формул В Курсовой Работе
Курсовая работа по теме Эффективность коммерческой деятельности предприятия
Контрольная Работа По Химии Класс
Контрольная Работа По Алгебре По Теме Производная
Психологическое Исследование Реферат
Градусы Эссе И Гараж
Реферат по теме 3D графика. 3D Телевизоры
Эссе На Тему Деятельность Единственный
Эссе Родина Ребенок Государство
Реферат: Лицейские друзья А.С. Пушкина
Курсовая работа: Сравнительная характеристика специальных налоговых режимов
Сочинение По Произведению Полтава 7 Класс
Пример Сочинения По Обществознанию 6 Класс
Гост На Оформление Кандидатской Диссертации 2022
Реферат: Організація догляду за хворими з хронічною нирковою недостатністю
Реферат: Diversity In Business Essay Research Paper Diversity
Интересные Темы Диссертаций
Дипломная Работа На Тему Інформаційна Система З Обліку Нарахування Заробітної Плати Працівникам Управління Державного Казначейства
Реферат: Деспотии в Древних Восточных цивилизациях
Реферат На Тему Компьютерные
Дипломная работа по теме Аспекты задачи сокращения перебора при анализе сложных позиционных игр
Реферат На Тему Проблеми Впорядкування Й Удосконалення Сучасної Української Термінології
Реферат Биография Лермонтова 4 Класс
Доклад: Любимая женщина Нестора Махно
Реферат: Race
Реферат: Ощущение и восприятие. Скачать бесплатно и без регистрации
Итоговое Сочинение 2022 Объем Слов
Курсовая работа по теме Исследование формирования исторической памяти молодежи
Реферат по теме Организация международного бизнеса
Особенности Управления Персоналом В Турфирме Курсовая
Практическая Работа Номер 9 Класс
Виды Инвестиционных Проектов Курсовая
Реферат На Тему Современная Западноевропейская Философия
Как Писать Вступление В Эссе
Курсовая работа: Установка для механизированной наплавки кольцевого шва со слежением за вылетом электрода
Дипломная работа по теме Сущность управленческого учета
Контрольная Работа 3 Алгебра 8 Класс
Дипломная работа по теме Разработка информационной системы медицинского учреждения
Курсовая работа: Лингвистический анализ произведения
Контрольная Работа На Тему Ледяная Пещера
Доклад по теме Иван IV Грозный (1530-84)
Дипломная работа по теме Выбор системы, типа гидротурбины и разработка эскиза турбинной установки


































