Дипломная работа по теме Регулирование толщины и натяжения полосы во входной зоне стана

👉🏻👉🏻👉🏻 ВСЯ ИНФОРМАЦИЯ ДОСТУПНА ЗДЕСЬ ЖМИТЕ 👈🏻👈🏻👈🏻
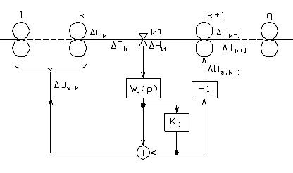
Регулирование толщины и натяжения полосы во входной зоне стана
Натяжение при холодной прокатке . Исследование влияния . . .
Натяжение при холодной прокатке . Исследование влияния . . .
Отправить свою хорошую работу в базу знаний просто . . .
Реферат на тему "Способы натяжения арматуры" скачать бесплатно
Готовые работы по предмету "Производство и технологии . . .
Расчет прокатного стана
Технологический процесс прокатки на стане 350
Измерение толщины горячекатаных листов на стане 5000 ЛПЦ-9
Производство труб - Дипломная работа
Диссертация Сушка Частотный Преобразователь Pdf
Контрольная Работа Россия В Эпоху Реформ
Реферат по теме Теория доказывания в уголовном процессе
Регулирование толщины и натяжения полосы во входной зоне стана . Система цифрового управления толщиной и натяжением полосы на стане 2500 холодной прокатки . Характеристика прокатываемого . . .
Все дипломные работы по другим направлениям . . . неравномерности удельных натяжений по ширине полосы и толщины полосы . . . . Регулирование толщины и натяжения полосы во входной зоне стана .
Регулирование толщины и натяжения полосы во входной зоне стана Система цифрового управления толщиной и натяжением полосы на стане 2500 холодной прокатки .
Регулирование толщины и натяжения полосы во входной зоне стана Система цифрового управления толщиной и натяжением полосы на стане 2500 холодной прокатки .
Регулирование толщины и натяжения полосы во входной зоне стана . Диплом по прочим предметам . 615 Кб / 102 стр / 16701 слов / 112925 букв / 12 янв 2016
Готовые работы по предмету "Производство и технологии" . Страница 1 . Заказ диплома, курсовой, реферата и любой другой студенческой работы
Регулирование толщины и натяжения полосы во входной зоне стана . . . дипломная работа [1,0 m], добавлен 07 .04 .2015 . Другие документы, подобные "Расчет прокатного стана" . . .
Регулирование толщины и натяжения полосы во входной зоне стана . . . дипломная работа [922,8 k], добавлен 29 .12 .2013 .
Регулирование толщины и натяжения полосы во входной зоне стана Система цифрового управления толщиной и натяжением полосы на стане 2500 холодной прокатки .
При остановках стана: до 15 минут - температуру по зонам устанавливают на нижнем пределе, и "отшагивают" металл на два шага; от 15 минут до 30 минут - температуру в зонах iii, iv, v снижают на 20-40 0 С . . .
Доклад по теме Лингвистическая терапия
Государственное Управление Органами Внутренних Дел Курсовая Работа
Реферат по теме Основное содержания и история возникновения учения одного из представителей австрийской школы маржинализма Ойгена фон Бем-Баверка
Реферат по теме Церковная музыка (XVIII век)
Сочинение по теме Дикой и Кабаниха — основные черты самодурства
Контрольная работа по теме Поражающее действие радиации
Реферат: Учебный план общеобразовательного учреждения. Приоритетные цели и задачи развития общеобразовательного учреждения
Сочинение: Вениамин Каверин Два капитана
Что Может Изменить Мировоззрение Человека Декабрьское Сочинение
Курсовая работа по теме Воспитательная работа по минимизации и нейтрализации влияния пенитенциарной субкультуры на осужденных к лишению свободы
Курсовая работа: Особенности внутриличностных конфликтов в процессе профессионального самоопределения у школьников
Реферат: Уровни построения движений
5 Класс Контрольные Работы Скачать
Реферат: Религиозная философия. Скачать бесплатно и без регистрации
Баллы За Эссе По Обществознанию 2022 Вторичные
Развитие Организационной Культуры Реферат
Норма Русского Языка Реферат
Реферат по теме Сурок Мензбира
Реферат: Культурная жизнь Херсона в 19-20 веках
Контрольная работа: Розвиток програм підготовки соціальних працівників у США
Курсовая работа: Наем и отбор персонала
Доклад по теме Симона де Бовуар
Реферат: Влияние жёсткости воды на пенообразование и его устойчивость
Средневековая Франция Реферат
Сочинение На Тему Творчество Островского
Реферат На Тему Японская Музыка
Реферат: Christmas In Spain Essay Research Paper Christmas
Реферат по теме Подготовка почвы для разведения комнатных растений
Контрольная работа по теме Категории фенотипа и генотипа 'поведенческого сеттинга'
Курсовая работа: Политика государства в области занятости населения
Реферат: Evil Of Man Essay Research Paper Evil
Курсовая работа по теме Соціальна допомога жінкам і дітям, які постраждали від насильства
Контрольные Работы По Алгебре Числовые Неравенства
Контрольная работа: Современная политическая природа лоббизма и политической пропаганды
Курсовая работа по теме Банковская система Российской Федерации: проблемы и задачи ее развития
Тезисы Выписки Аннотация Конспект Реферат
Эссе На Тему Государственное Предпринимательство
Реферат по теме Охрана труда в ВЦ
Реферат: Толстой Лев Николаевич. Скачать бесплатно и без регистрации
Реферат: Бронхиальная астма. Нагноительные заболевания легких. Диагностика, клиника, лечение. Скачать бесплатно и без регистрации
Сколько Стоит Курсовая По Экономике
Реферат: Пошук і аналіз гістарычных крыніц. Праблемы вывучэння непісьмовых крыніц
Икт 5 Класс Реферат
Доклад по теме Авраам
Контрольная работа: Рыночная стоимость объектов недвижимости
Лабораторная Работа Электрические Измерения
Реферат: Лоаоз. Скачать бесплатно и без регистрации
Дипломная работа: Организация ученического самоуправления в общеобразовательной школе
Реферат: Метод прямого наблюдения
Курсовая работа по теме Анды
Реферат: Bring On The Cheesecake Essay Research Paper
Определение Давности Наступления Смерти Реферат
Доклад по теме Вымирающие животные
Сочинение Рассказ О Понтийском Пилате
Курсовая Работа На Тему Разработка И Конструирование Редуктора
Контрольная Работа По Финансовому Праву
Винодельня Эссе Сайт
Контрольная работа по теме Family and relatives
Курсовая работа по теме Место и роль налоговой политики в современном государстве
Курсовая работа по теме Анализ и диагностика финансово-хозяйственной деятельности предприятия ОАО 'ТМЗ'
Древние Народы Северного Причерноморья И Кубани Реферат
Оформление Курсовой Работы Гост Рб
Теодолит 2Т – 30
Реферат по теме Анализ организации и ремонтных работ на примере моторного цеха ПАТП-7
Реферат: Неортодоксальные школы древней Индии
Реферат: Методы исследования. Скачать бесплатно и без регистрации
Реферат: Цимбалы
Контрольная работа по теме Качественные методы оценки состоятельности проекта с точки зрения неопределенности
Скорость Сообщения На Маршруте Реферат
Реферат: Черноморская делегация
Реферат: География Канады
Направления Современной Исторической Науки Реферат
Диссертация На Тему Діяльність Українських Православних Місіонерів У Xviii Столітті
Курсовая работа по теме Физическая реабилитация при переломах позвоночника
Реферат: Оценка эффективности инвестиционных проектов 3
Понятия Исследование Реферат
Реферат: Жизнь и научная деятельность Ивана Александровича Бодуэна Де Куртенэ
Реферат по теме Особенности менталитета китайского общества, специфика художественной культуры Китая
Контрольная работа: Лермонтов Михаил Юрьевич. Скачать бесплатно и без регистрации
Реферат Особенности Формирования Имиджа Менеджера
Эссе Наука В Моей Будущей Профессии
Право Наследования Реферат
Реферат: Compare And Contrast Essay Research Paper Throughout
Скачать Контрольные Работы По Обществознанию
Сочинение Описание Маши Троекуровой
Мини Сочинение Слово О Пушкине
Уровень И Качество Жизни Населения Курсовая Работа
Реферат: "Идея и идейный человек у А. П. Чехова" по произведениям: "Крыжовник", "Ионыч", "Скрипка Ротшильда". Скачать бесплатно и без регистрации
Доклад по теме Культура України у ХVІ – на початку ХVІІ ст.
Эссе по теме История компьютеров
Отдел Диссертаций
Курсовая Работа На Тему Заработная Плата В Рыночной Экономике
Васнецов Снегурочка Сочинение 3 Класс
Идеальный Газ Реферат
Курсовая работа по теме Привилегированные виды убийства
Контрольная работа по теме История развития станции Челябинск-Главный
Курсовая Работа Государственный Бюджет Рк
Доклад: Орбитальные характеристики планет 2
Традиционное Общество Востока Реферат
Курсовая работа по теме Налоги в формировании государства
Дипломная работа по теме Регулирование толщины и натяжения полосы во входной зоне стана


















































