Дипломная работа по теме Разработка систем релейной защиты и автоматики основных элементов АЭС

🛑 👉🏻👉🏻👉🏻 ИНФОРМАЦИЯ ДОСТУПНА ЗДЕСЬ ЖМИТЕ 👈🏻👈🏻👈🏻
Дипломная работа: Разработка систем релейной защиты и . . .
Разработка систем релейной защиты и автоматики основных . . .
Разработка систем релейной защиты и автоматики основных . . .
Разработка систем релейной защиты и автоматики основных . . .
Дипломные и курсовые работы по релейной защите - Курсовые . . .
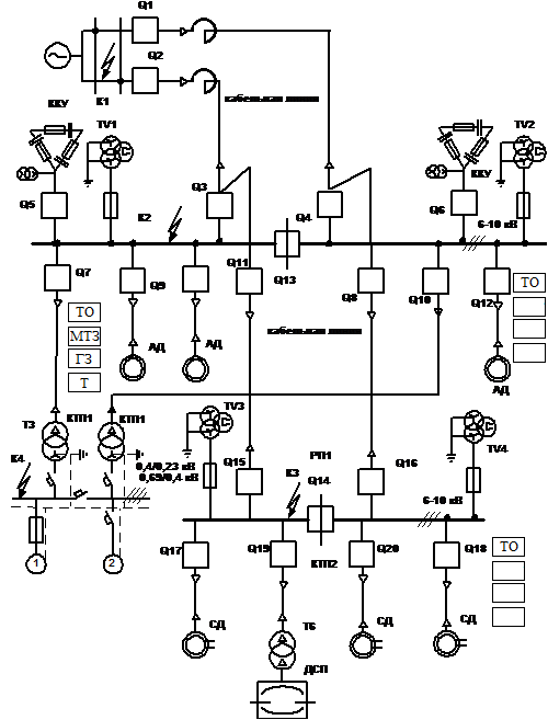
1 .2 Релейная защита трансформатора собственных нужд . . .
Разработка систем релейной защиты и автоматики основных . . .
4 .2 Разработка мероприятий по технике безопасности . . .
Принцип работы релейной защиты и автоматики на основе . . .
Дипломная работа на тему «Разработка системы . . .
Комплектование архива
Курсовая Работа На Тему Налоговый Контроль, Методы, Формы И Пути Совершенствования
Реферат по теме Совет Федерации Федерального Собрания: конституционный статус, эволюция механизма формирования, организационное устройство на современном этапе
Название: Разработка систем релейной защиты и автоматики основных элементов АЭС Раздел: Рефераты по физике Тип: дипломная работа Добавлен …
Разработка систем релейной защиты и автоматики основных элементов АЭС Главная > Дипломная работа >Физика Сохрани ссылку в одной из сетей:
Разработка систем релейной защиты и автоматики основных элементов АЭС . . . . 2010-12-01 . Поделись с друзьями: Все дипломные работы по физике . . .
xreferat .com /102/2546-4-razrabotka-sistem-releiynoiy-zashity-i-avtomatiki-osnovnyh-elementov-aes .html
Разработка систем релейной защиты и автоматики основных элементов АЭС . . . . После окончания работ по проверке устройств РЗА разбирается …
Дипломные и курсовые работы по релейной защите . . . Разработка систем релейной защиты и автоматики основных элементов АЭС (дипломная …
Разработка систем релейной защиты и автоматики основных элементов АЭС дипломная работа 1 .2 Релейная защита трансформатора собственных нужд
xreferat .com /102/2546-3-razrabotka-sistem-releiynoiy-zashity-i-avtomatiki-osnovnyh-elementov-aes .html
Xreferat .com » Рефераты по физике » Разработка систем релейной защиты и автоматики основных элементов АЭС Разработка систем релейной защиты …
дипломная работа . . . . Разработка систем релейной защиты и автоматики основных элементов АЭС 6 . Инструкция по технике безопасности . . .
6 Цифровое устройство защиты, контроля и управления SEPAM 1000+ . Sepam - это серия цифровых устройств защиты, контроля и управления . . Sepam является ядром …
В соответствии с утвержденной Министерством энергетики РФ Инструкцией по расследованию и учету технологических нарушений в работе энергосистем, электростанций …
Курсовая работа: Институт главных федеральных инспекторов в субъектах РФ: место, роль и значение в государственном аппарате управления
Курсовая работа: Системный анализ налоговой нагрузки на субъекты хозяйствования
Курсовая работа по теме Управління ринками цінних паперів
Дипломная работа по теме Разработка конкурентоспособного туристского продукта "Очаровательная Скандинавия"
Сочинение по теме Статья о творчестве И. А. Крылова
Доклад: Царицыны палаты
Реферат: The Tempest Caliban Essay Research Paper As
Курсовая работа по теме Разработка базы данных 'Управление складом'
Диссертация Возмещение Вреда
Курсовая работа по теме Санитарно-техническое оборудование зданий
Реферат по теме Биологическое значение белка
Автореферат На Тему Нотні Колекції Бібліотеки Львівської Національної Музичної Академії Ім. М.В. Лисенка У Світлі Історико-Культурного Процесу Краю
Курсовая работа по теме Оцінка і аналіз фінансового стану ВАТ 'Чернігівська макаронна фабрика'
Реферат по теме Исходные категории теории и методики физической культуры
Соц Защита Курсовая
Реферат: Лирический герой в поэзии А. А. Блока. Скачать бесплатно и без регистрации
Контрольная работа: Демократия, ее модели. Проблемы становления демократии в России. Скачать бесплатно и без регистрации
Реферат по теме Услуги как объект гражданских прав
Дипломная работа по теме Создание сайта учителя
Курсовая работа: Этнографические особенности караимов
Сопровождение ПО (Software maintenance)
Практическая Работа По Информатике
Реферат: A Society Discovered Athens Essay Research Paper
Чемпионат Мира Реферат
Развитие налогообложения в России
Сочинение На Тему Осень На Лакском Языке
Курсовая работа по теме Биржевые спекуляции
История Русского Языка Реферат
Курсовое Оружие
Реферат: Авангард в кинеатографе 20 - 21 веков
Контрольная Работа На Тему Финансовое Право
Радиопротекторы: современные направления и перспективы
Курсовая работа по теме Природні катастрофи на території Північної Америки
Курсовая работа по теме Проектування дільничної станції
Курсовая работа: Повышение конкурентоспособности сети мини-отелей "Rinaldi B&B". Скачать бесплатно и без регистрации
Курсовая работа по теме Разработка интеллектуальной системы подбора товара
Сочинение На Тему Нужно Ли Помогать Людям
Где Найти Сочинение
Дипломная работа по теме Понятие третьих лиц в гражданском процессе
Сочинение Золотая Осень Автор
Пример Эссе Рассуждения
Эссе В Вузе Пример
Дипломная работа по теме Образ идеального мужчины у взрослых мужчин и женщин
Контрольная работа по теме Расчет теплообменника
Дипломно Паспортный Отдел Таганрог
Курсовая Работа Логика В Античном Мире
Методология Исследования Это В Курсовой
Контрольная работа по теме Учет и анализ банкротств
Курсовая работа: Учреждение и управление обществом с ограниченной ответственностью
Реферат: Понятие и значение отбывания наказания
Курсовая работа по теме Хирургические болезни кожи у животных. Абсцесс кожи у собаки
Библиографическая Информация И Ее Формы Реферат
Реферат: Нервная система и координация
Сочинение О Дворянстве В 19 Веке
Реферат: Базы данных Asses
Реферат: Психологические основы и мотивы преступности
Тема На Сочинение 15.3
Отчет по практике по теме Основи роботи органів Пенсійного фонду України на прикладі його управління в Великоновосілківському районі
Реферат по теме Природоохранное законодательство России
Отчет по практике: Автоматизація технологічних процесів у металургії
Курсовая Работа На Тему Тарифная Система, Как Основной Элемент Организации Заработной Платы
Эссе На Тему Экспонаты Музея Летопись Прошлого
Курсовая работа по теме Фактори, які впливають на формування позиції людей до шлюбу
Курсовая работа: Пути повышения эффективности деятельности организации. Скачать бесплатно и без регистрации
Реферат по теме Принцип субстанциальности сознания: еще раз о полемике материализма и идеализма
Реферат На Тему Технология Приготовления Блюд Из Мяса Кролика
Теория Риска Реферат
Как Сохранить Собственное Здоровье Эссе
Линейный Алгоритм Варианты Заданий На Лабораторную Работу
Курсовая работа по теме Морфометрическая характеристика мелких млекопитающих лесов Чёнковской зоны отдыха города Гомеля
Курсовая работа по теме Что такое естествознание и его отличие от других циклов науки
Дипломная работа по теме Организационно-экономическая характеристика предприятия ООО 'Митра'. Бухгалтерский учет, анализ и аудит на предприятии
Сочинение Я Люблю Лес
Курсовая работа по теме История возникновения и распространения христианства
Дипломная работа: Методы диагностики в психологии
Реферат по теме Межгосударственная русская организация 'Национал- социалистическое общество' (НСО)
Контрольная работа: Неформальные группы в организации
Реферат по теме Основные идеи синергетики
Реферат: Спирография: техника и обработка результатов измерения. Скачать бесплатно и без регистрации
Реферат: Октябрь 1917 года. Скачать бесплатно и без регистрации
Реферат На Тему Развитие Физической Культуры
Курсовые Работы На Любые Темы
Курсовая работа по теме Общая характеристика и источники права Древней Руси
Реферат по теме Придворные титулы и мундиры
Дипломная работа по теме Математические вопросы теории надежности
Курсовая Работа На Тему Маркетинговое Исследование Потребительских Предпочтений В Сфере Туризма С Целью Открытия Филиала Турфирмы "Смит"
Доклад: Разнообразие смешанных форм в инвестиционных фондах
Реферат: Ультразвуковая размерная обработка материалов
Курсовая Субъекты Предпринимательского Права
Реферат: Usa History Essay Research Paper The history
Реферат: Основы фотографии. Фотохимические реакции
Контрольная работа по теме Античная и социальная философия
Реферат: Экономическая сущность и виды инвестиций 3
Зачем Человеку Совесть Сочинение
Система Дополнительного Профессионального Образования Дипломная Работа
Реферат по теме DLL и Дельфи
Курсовая работа по теме Символіка православних таїнств
Курсовая Работа На Тему Ефективність Формування І Використання Фінансових Ресурсів Державного Підприємства
Реферат по теме Двигатель постоянного тока со скользящими контактами
Дипломные Работы Pdf
Дипломная работа по теме Разработка систем релейной защиты и автоматики основных элементов АЭС









































































