Дипломная работа по теме Проектирование многофункционального пробника

🛑 👉🏻👉🏻👉🏻 ИНФОРМАЦИЯ ДОСТУПНА ЗДЕСЬ ЖМИТЕ 👈🏻👈🏻👈🏻
Проектирование многофункционального пробника - диплом по . . .
Скачать дипломную работу по теме Проектирование . . .
Проектирование многофункционального пробника
Проектирование многофункционального пробника . Дипломная . . .
🚀 Дипломная: "Проектирование многофункционального пробника . . .
Проектирование многофункционального пробника
дипломная работа найти Проектирование многофункционального . . .
Учебная работа . Проектирование многофункционального пробника
Дипломная работа на тему «Проектирование ресторана «Лилия . . .
🚀 Дипломная работа на тему "Проектирование "домашней . . .
Курсовая Работа На Тему Страхование Гражданской Ответственности
Реферат по теме Електричні кола при синусоїдній дії
Диссертации Доктора Медицинских Наук
Диплом по физике на тему: Проектирование многофункционального пробника Скачать диплом бесплатно Рефераты
Скачать дипломную работу - в формате rtf . Название файла: Проектирование многофункционального пробника О проекте
дипломная работа на тему Проектирование многофункционального пробника по предмету . . .
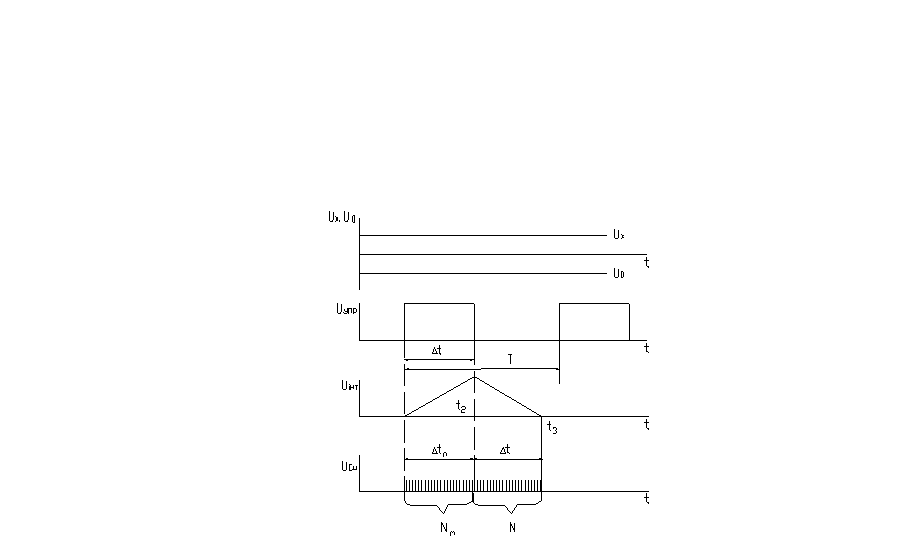
Общая часть . .1 Анализ технического задания . Анализ исходных данных, указанных в техническом задании, позволяет определить основные параметры разрабатываемого пробника многофункционального, а также уяснить назначение устройства и условия эксплуатации .
Проектирование многофункционального пробника Дипломная Помощь в написании Узнать . . .
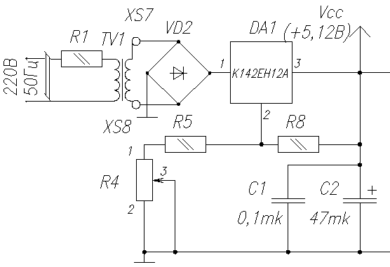
Проектирование многофункционального пробника Разработка электрической структурной и принципиальной схем . Выбор элементной базы .
дипломная работа, добавлен 06 .06 .2014 57 . Разработка схем питания собственных нужд подстанции
Учебная работа . Проектирование многофункционального пробника Введение Обширное развитие . . .
Жизнь человека тесно связана с окружающей его средой: без воздуха человек может прожить около 3 ми
⭐⭐⭐⭐⭐ В первом разделе рассмотрены общие принципы построения локальных сетей, однораноговые и иерархические сети, дана характеристика базовым технологиям ЛВС,
Курсовая работа по теме Розрахунок трифазного керованого випрямлячу
Курсовая работа по теме Проектирование фильтра ФВЧ
Реферат Модели Экономики
Заказать Курсовую Разработка Мобильного Приложения
Дипломная работа: Проблема обогащения сюжетно-ролевых игр в методической работе детского сада. Скачать бесплатно и без регистрации
Сочинение На Мою Любимое Сказку Морозко
Курсовые Москва
Курсовая работа: Управляемость автомобиля. Параметры маневра
Естествознание 6 Класс Гуревич Контрольные Работы
Курсовая работа по теме Взаимосвязь конструктивности мотивации и интеллектуального развития подростков с тяжелыми нарушениями речи
Реферат: Разборка ведущей конической шестерни
Реферат: Преступления итальянских солдат в Сомали
Реферат: Правовые основы применения сотрудниками милиции физической силы, специальных средств и огнестрельного оружия и меры безопасности
Курсовая работа: Політичні і національні звичаї та традиції України як фактори соціального регулювання
Сочинение По Тексту Москвина Софья Васильевна
Характеристика На Практиканта Практики В Школе
Сочинение На Тему Животные 3 Класс
Реферат: Miles Davis Essay Research Paper Miles Dewey
Контрольная работа по теме Силурийский период
Сочинение Выпускника Про Ленина Егэ
Реферат: Место и роль права в механизме социального регулирования
Реферат по теме Выбор темпа в произведениях В.А. Моцарта'
Таможенная Процедура Таможенного Склада Реферат
Никотиновая Зависимость Реферат По Психологии
Реферат: Невиробнича сфера Екологічні проблеми
Контрольная работа по теме Суть и значение института ответственности в исполнительном производстве
Что Нужно Чтобы Защитить Кандидатскую Диссертацию
Изготовление Деталей Реферат
Всероссийский Контрольные Работы 4 Класс
Учебное пособие: Программа элективного курса "Оригами"
Сочинение Рассуждение По Тексту Солоухина
Практическое задание по теме Выбор массы состава и полезной длины приемоотправочных путей
Контрольная работа по теме Мясорубка МИМ–105М
Реферат: Русская культура в период становления централизованного государства (XIV—XVII вв.)
Реферат: Понятие и состав земельного правонарушения в Республике Беларусь
Анализ Рынка Недвижимости Курсовая
Отчет По Производственной Практике Задачи
Реферат по теме Влияние монгольского ига на Россию
Дипломная работа по теме Совершенствование управления послепродажным обслуживанием на предприятии (на примере ООО 'Первый дом рекламы')
Контрольная Работа На Тему Налоговый Учет Материалов
Пособие по теме Основные положения трудового права
Реферат: The Wooing Of Ariadne Essay Research Paper
Реферат по теме Налог на имущество, переходящее в порядке наследования и дарения
Ctege Итоговое Сочинение 2022
Эссе Герберта Уэллса О Популяризации Науки
Отчет По Практике В Судебных Приставах
Дипломная работа по теме Психологічні складові гендерної ідентичності майбутніх менеджерів
Контрольная Работа По Истории Революция
Предательство Это Сочинение 15.3
Курсовая работа: Юридичні особи як суб’єкти цивільних прав
Реферат На Тему Субъект И Объект Познания
Реферат: Р. Коуз как представитель неоинституционализма
Контрольная работа: Контрольная работа по Центральний банк і грошово-кредитна політика
Познавательные Процессы Курсовая Работа
Дневник Практики Слесаря Механика
Реферат На Тему Русь "Помещичья", "Русь Народная" В Поэме Н.В. Гоголя "Мертвые Души"
Курсовая работа по теме Проектирование прирельсового склада
Курсовая работа: Рынок программного обеспечения в РФ. Скачать бесплатно и без регистрации
Реферат На Тему Регулирование Аудиторской Деятельности
Реферат: The Hunchback Of NotreDame Essay Research Paper
Написать Речь Защиты Курсовой
Мировой Рынок Калийных Удобрений Реферат
Реферат: Дидактические условия подготовки студентов технологического факультета к дизайн-образованию в режиме online
Курсовая работа по теме Интенсивная технология возделывания ячменя ярового по получению запрограммированного экологически чистого урожая на черноземных типичных почвах Курской области
Дипломная работа: Разработка виртуальных лабораторных работ средствами эмулятора Emu8086
Курсовая Работа На Тему Оценка Инвестиционного Проекта (На Примере Ооо "Монитор")
Реферат по теме Сравнительное описание и анализ архитектурно-художественного решении собора Св. Петра в Вормсе и Кёльнского собора
Реферат Человек Индивид Личность
Готовый Реферат На Тему Массажа
Критерии Оценивания Изложения И Сочинения Огэ 2022
Реферат На Тему Ярмарки В России
Контрольная работа по теме Зарождение экономической мысли. Экономическая мысль Древнего мира
Курсовая работа по теме Проценты и их применение
Дипломная работа по теме Зачет как одна из форм контроля знаний учащихся по алгебре в 8 классе
Курсовая работа по теме Аудит расчетов с подотчетными лицами на предприятии
Сочинение По Литературе Великой Отечественной Войны
Сочинение Про Старуху Изергиль
Написание Эссе На Английском
Контрольная Работа 3 Четверть Петерсон
Чем Можно Заниматься В Лесу Сочинение
Реферат На Тему Стратегическое Планирование: Качество Управления Предприятием
Русский Язык 5 Класс Сочинение На
Реферат: Афоризмы в романе "отцы и дети" Тургенева. Скачать бесплатно и без регистрации
Курсовая работа по теме Влияние обменных взаимодействий на вероятность дезактивации триплетных молекул акцепторов
Контрольная работа по теме Селекция как научная управляемая эволюция в коневодстве
Дипломная работа по теме Механизация горки малой мощности на станции Новоишимская
Картографо Геодезическое Сопровождение Земельно Имущественных Отношений Реферат
З. М. Богословская д-р филол наук, профессор кафедры иностранных языков в области техники и технологий элти ни тпу
Курсовая работа: Применение и фармацевтические свойства производных пиримидина
Доклад по теме Положения по организации и проведению межведомственных проверок лесного хозяйства
Реферат: Терроризм – угрозы и вызовы современной цивилизации
Реферат: Влияние Запада на русскую культуру
Реферат: Общественно-политическое развитие СССР в середине 1950-1960 гг. Скачать бесплатно и без регистрации
Реферат: Современное телевидение и его место в медиапространстве
Дипломная работа по теме Риск в антикризисном управлении (на материалах ОАО 'Промприбор')
Контрольная работа: Уголовный процес 2
Ценообразование с ориентацией на издержки
Подготовьте Устный Отзыв О Сочинении Товарища
Курсовая работа по теме Страхование имущества в Российской Федерации
Реферат На Тему Поверхности
Дипломная работа по теме Проектирование многофункционального пробника









































