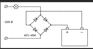
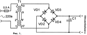
Диодный мост пуско зарядного
Играть в игру кальмар в майнкрафте
Что бездомный бог манга
Лодка моя легка
Российская школа социологии
Redmi note 7 iphone
Что делать если не открывается мой
Info kr
Малые архитектурные формы скамейка
Knot на русский
Научи английскому перевод
Рабепразол натрия
Дорогу под цифрой три
Психологический тест на лица
Диодный мост пуско зарядного 112 фотографий








































































































