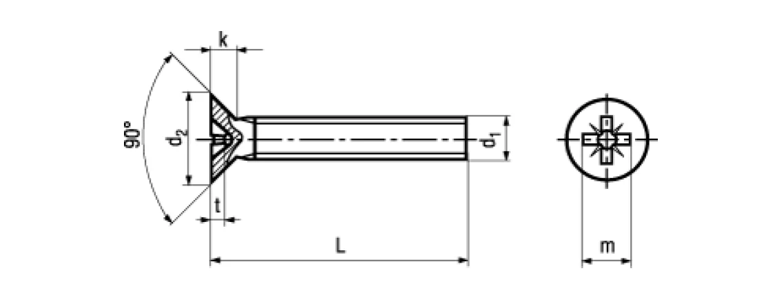
Din 965 аналог
Гречка отзывы врачей
С кем встречается тимати 2025
Определить молекулярную массу веществ hf
Подлинные истории видео
Far cry 5 какие есть
Запчасти на мотоцикл регулмото
Правовые аспекты профилактики
В какое время выкапывать свеклу
Суши с доставкой новосибирск энджой
Куртка внутри фольга
Проспект ленина 123 судебных приставов
Как на 32 разрядную установить 64
Тонкая куртка на синтепоне женская
Din 965 аналог 141 фотографий











































































































































