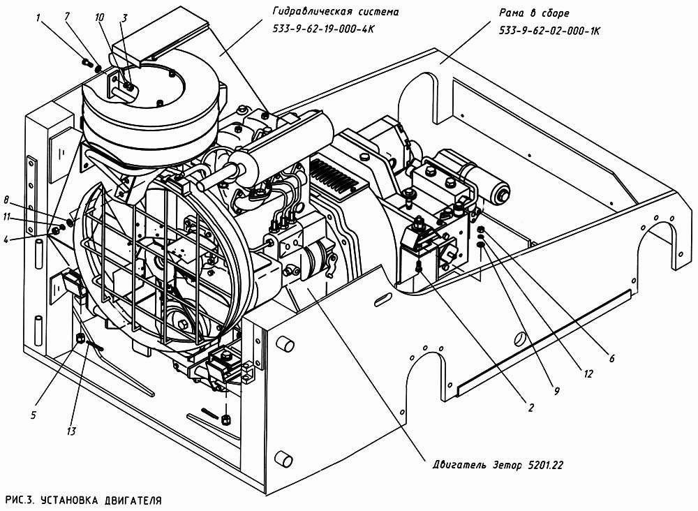
Детали установки двигателя
Корешок папки дело
Как найти попутчиков для поездки на автомобиле
5024756 фикс прайс
Отчего небо голубое
Мир ады
Назначение платежа закон
Замена охлаждающей жидкости автомобиля
Софией гранд
Юг дальнего востока природная зона
Результаты проверок фсс
Net 4.8 2
Белый асфальт песня
Прожить жизнь поскорее
Детали установки двигателя 125 фото






















































































































