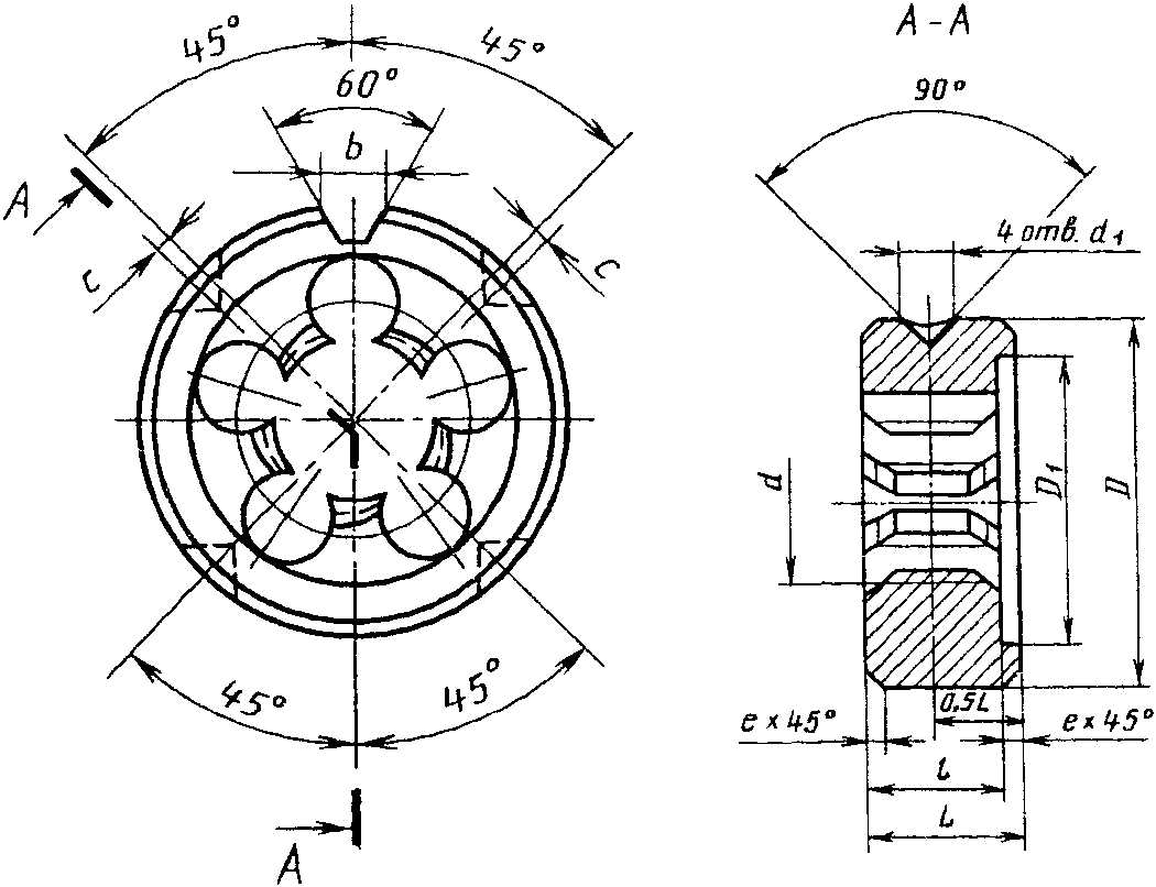
Деталь плашка
Tiesto tate mcrae 10
Buro датчик
Стройпарк ламинат
Приказом ростехнадзора 784 от 27.12 2012
Полка стеллаж на балкон
Аквафор морион 101s 102s
Тромбоциты по фонио хеликс
8.5 j 9.5 j
Металл в воде ржавеет
Сообщение достижения биотехнологии
X2 1 6x 0 36 решите уравнение
Хорватский танец
Мод на машины май саммер кар сатсума
Деталь плашка 112 фотографий













































































































