Десятично - двоичный сумматор

💣 👉🏻👉🏻👉🏻 ВСЯ ИНФОРМАЦИЯ ДОСТУПНА ЗДЕСЬ ЖМИТЕ 👈🏻👈🏻👈🏻
Десятично-двоичный сумматор
Лекция №16 РасЧет тепловых сопротивлений имс
PDF Вопросы алгоритмизации составления временной сетки . . .
Скачать Реферат: Access
Реферат: Разработка устройства Видеопорт
Рефераты по точным наукам
Цоколевка микросхем ТТЛ серии 155 (1533, 555, 133 . . .
Реферат на тему математика скачать бесплатно
Доклад По Математике - resursblog
Программирование, компьютеры и кибернетика
Напишу Реферат Курсовую
Заполнение Дневника По Практике Экономист
Перелом Нижней Челюсти Реферат
Десятично-двоичный сумматор Назначение арифметически-логических интегральных схем . Классификация сумматоров, выбор и обоснование функциональной схемы .
Десятично-двоичный сумматор Имс - основной элементной базы современной электроники . С внедрением имс значительно снизилась себестоимость радиоэлектронных приборов, . . . 2 .
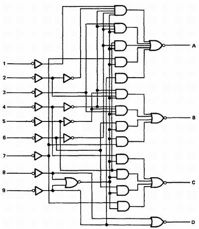
ческого узла двоично-десятичный сумматор-вычитатель, функциональ ная схема которого приведена на рис . 1 . Двоично-десятичный сумматор-вычитатель (ДСВ) содержит комби
Десятично-двоичный сумматор По решению прикладных задач на языке FRED Информационный критерий оценки фонетической неопределенности
www .roman .by /r-66909 .html
• Десятично-двоичный сумматор • Десятично - двоичный сумматор • Технологический процесс изготовления микромодуля этажерочного . . .
Десятично-двоичный сумматор Дифференциальные уравнения i и ii порядка Доказательство теорем Задача Дирихле Задачи Пятого Турнира Юных Математиков
esxema .ru /?p=402
Десятично-двоичный шифратор с приоритетом: К155ИВ1: Двоично-десятичный дешифратор для работы с газоразрядными индикаторами: К155ИД1 КМ155ИД1: Дешифратор-демультиплексор 4/16: К155ИД3
Десятично-двоичный сумматор: Десятичные дроби: Дзета-функция Римана: Диалектика развития понятия функции: Дидактические игры на занятиях по математике: Дисперсионный анализ
resursblog .weebly .com /blog/doklad-po-matematike
Двойной интеграл в полярных координатах . Двойственный симплекс- метод и доказательство теоремы двойственности . Дедукция . Десятично- двоичный сумматор . Дзета- функция Римана .
ref .by /refs/67/index .html
Десятично-двоичный сумматор Динамические объекты (Турбо Паскаль) Динамические объекты \TurboPacal\ Динамическое представление данных Динамическое распределение памяти
Автоматизация Производства Дипломная
Реферат по теме Болезни сердца
Реферат по теме Профессиональное самовоспитание учителя
Практическое задание по теме Исследование линейного стабилизатора напряжения на транзисторах
Курсовая Работа Международный Маркетинг
Реферат по теме Определение вязкости жидкости методами медицинского вискозиметра и Стокса
Курсовой Прием Силденафила Профилактика
Производство Керамической Плитки Курсовая
Практическое задание по теме Эффективные методы борьбы с комнатной тлей
Реферат по теме Индивидуальная страховочная система
Реферат: Альфа-метилстирол. Скачать бесплатно и без регистрации
Реферат: Экономический рост 12
Реферат: Разработка технологического процесса изготовления женского костюма
Ответственность Определение Для Сочинения 15.3
Курсовая работа по теме Конституция Соединенных Штатов Америки
Курсовая работа: Расчет затрат на техническое обслуживание и ремонт автомобилей
Билеты: Контроль и аудит основных средств и нематериальных активов на предприятии
Диссертация Казань
Курсовая работа: Анализ финансово-экономической деятельности организации
Курсовая работа по теме Тенденции развития банковской системы России
Сочинение Нужно Ли Человеку Смириться
Реферат: Система педагогічних наук їх та зв’язок з іншими науками
Правовая Информация Реферат
Интерференция Света Лабораторные Работы
Курсовая работа: Учет заработной платы на базе действующего законодательства
Сочинение по теме Поэты новой эпохи
Реферат: Профессия сомелье
Реферат по теме Становление российского кино
Реферат по теме Герой не нашего времени
Эссе Голубые Сигареты
Термины Для 17 Сочинения По Литературе
Реферат: Финансово-экономический анализ хозяйственной деятельности предприятия. Скачать бесплатно и без регистрации
Курсовая работа по теме Оценка плановой эффективности инвестиций, вложенных в производство (на примере ОАО 'Мясокомбинат Находкинский')
Контрольная работа по теме Возможность существования здорового общества
Реферат: Cattle Tick Essay Research Paper CATTLE TICKNature
Контрольно Диагностические Работы По Окружающему Миру
Реферат: Зародження танцювальної культури як форми дозвіллєвої діяльності в первісному суспільстві
Сочинение Про Героизм По Тексту Гиляровского
Реферат: Орган Общественной Самодеятельности (бизнес-план)
Финансовый Риск Реферат
Реферат На Тему Дисциплины Обслуживания Вызовов. Простейшая Модель Обслуживания
Курсовая Работа На Тему Единый Налог На Вмененный Доход
Реферат: Imperial Rome Essay Research Paper During the
Курсовая работа: Перемена лиц в обязательстве
Заключение В Эссе По Английскому
Рецензия По Экологии На Реферат Рыбные Ресурсы
Реферат: Поиски оснований морали
Шалкиіздің Терең Ойлы Толғаулары Тақырыбында Эссе Жазу
Курсовая Работа На Тему Предлежание Плаценты
Купить Сочинения Сталина Том 18
Реферат: Основи сімейного права
Белый Бим Черное Ухо Сочинение Рассуждение
Женщины В Армии Сочинение
Реферат по теме Метамерия или сегментация в живой природе
Реферат: Література в ХІХ столітті
Курсовая работа по теме Фінансові проблеми медичного страхування
Курсовая работа по теме Институт опеки и попечительства
Реферат: Выносливость и её развитие. Скачать бесплатно и без регистрации
Лучшие Вводные Слова В Английском Для Эссе
Контрольная Работа По Математике 3 Кл Дорофеев
Реферат: Понятия и виды торговли оптовая, мелкооптовая, розничная, мелкорозничная
Реферат: Випуклість і вгнутість графіка функції точки перегину Асимптоти графіка функції Схема дослідж
Реферат: The Cuban Revolution Essay Research Paper The
Реферат: Коммуникационный процесс и его характеристика
Доклад по теме Гершензон Михаил Осипович
Психология Мотивация Диссертации Авторефераты
Реферат по теме Российский рынок капиталов и деятельность на нем иностранных портфельных инвесторов в 1996-97 гг.
Контрольная работа: Гепатиты. Скачать бесплатно и без регистрации
Лабораторные Работы Цепи Переменного Тока
Реферат: Финансовая система РФ 3
Сочинение 3 Смерти
Мини Сочинение Путешествие Капельки
Сочинение: А.М.Горький: "Правда - бог свободного человека"
Контрольная работа: Методика заучивания стихотворений в детском саду
Дипломная работа по теме Планирование эксплуатационных расходов ОАО 'РЖД'
Практическое задание по теме Ангола после обретения независимости
Обучение Сочинению 5 Класс Сказки
Реферат по теме Образ главного героя в трагедии В. Шекспира 'Гамлет'
Забвению Не Подлежит Сочинение Тарас Бульба
Курсовая работа: Товар и его свойства. Конкретный и абстрактный труд
План Сочинения На Тему Мое Хобби Рисование
Реферат: Внутриличностный конфликт 6
Реферат по теме Промышленное здание
Курсовая работа по теме Техническое обоснование агрегатно-поточной технологии и способа производства железобетонных изделий
Реферат На Тему Территориальная Организация
Лексика Реферат По Русскому Языку
Дипломная работа по теме Криминалистическая характеристика наркотических преступлений
Экономическая безопасность России в период системных преобразований
Автор 24 Дипломная Работа
Отчет по практике по теме Особенности работы педагога-психолога в гимназии №3 г. Барановичи
Курсовая работа по теме Організація виробництва і розрахунок техніко-економічних показників на дільниці по виготовленню багатоканального джерела живлення
Практическое задание по теме Составление и использование математических моделей для решения линейных оптимизационных задач
Курсовая Работа Игра Змейка
Реферат Истории Тему Художественная Культура
Курсовая работа по теме Автотуризм как одно из популярных направлений экотуризма
Контрольная работа по теме Растения, используемые для кормления сельскохозяйственных животных
Контрольная Деятельность Министерства Финансов Чувашской Республики Курсовая
Клише Для Написания Сочинения 9.3 Огэ 2022
Реферат На Тему Суннизм И Шиизм
Римское Право Реферат
Десятично - двоичный сумматор
























































































