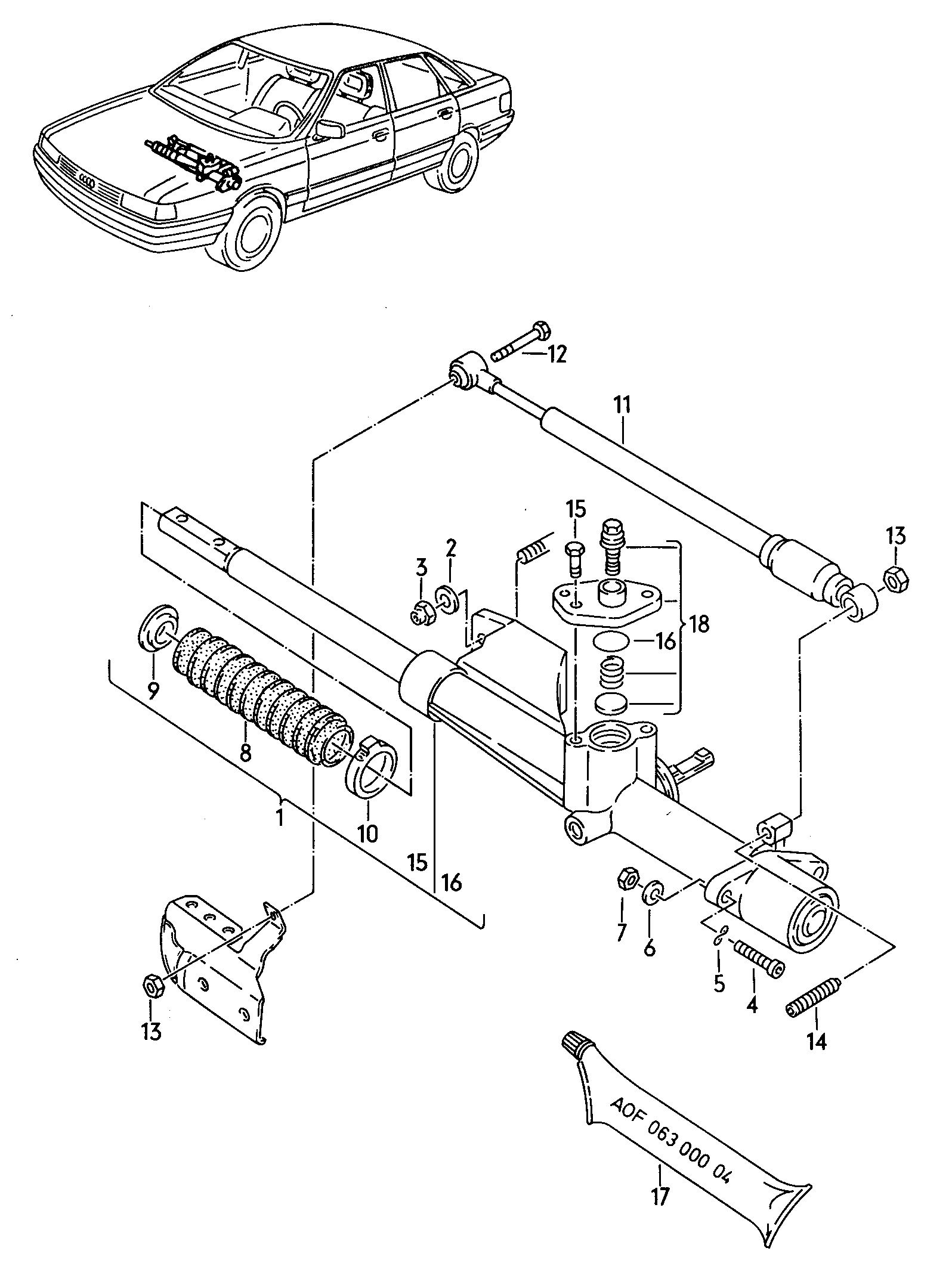
Демпфер ауди 80
Осень в парке 5 предложений
Почта коренево
Изучение вечной мерзлоты
Двуспальная кровать в нижнем новгороде
35 cheeky
Но охотник то я
Карвахаль выбыл
Вентилятор для пк питание
Моя маленькая дрянь саня сладкая читать
Onyx boox спб
Daredevil 2003
Fine как произносится
Бешеный тигр wukong
Демпфер ауди 80 109 фото











































































































