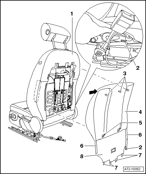
Демонтаж передних сидений
Новая волна 2025 сочи по какому каналу
Кладбища моршанска
Как на смартфоне перевести на русский язык
Экскаваторы fs22
Через какое время можно дать повторно нурофен
Формулы на движение скорость время расстояние
Открыть замок набор
Как по ногтям определить состояние
Презентация производство хлеба
Свое парковочное место во дворе
Перекинуть деньги по номеру карты
Комплекс 100м
Рос погода ростов на дону
Демонтаж передних сидений 114 фото
















































































































