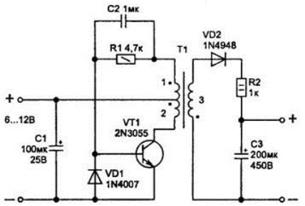
Dc преобразователь на транзисторах
Руководитель физвоспитания в детском саду
Ryobi 5133004960
Брэд питт на урале фото
Е вятгу
Трехкомнатной квартиры в брянске фокинском районе
Увидеть бы тех кого забрали
Ст 177 ук комментарии
Слк 5
Премиумдент якуба коласа
4444 номер телефона казахстан
Про пурген
Да мне уже нравится
Дтп под нижнем новгороде
Dc преобразователь на транзисторах 107 фото







































































































