Dating An Evinrude Outboard

π£ ππ»ππ»ππ» MORE INFO CLICK HERE ππ»ππ»ππ»
Evinrude | Date of Manufacture
How to date old evinrude outboard | Boating Forum - iboats . . .
Dating An Evinrude Outboard - Evinrude Johnson Outboard . . .
Evinrude Outboard Motor Model Numbers & Codes
Evinrude Year Identification | Our Pastimes
How Do I Determine the Year of My Evinrude Outboard . . .
Help dating an Evinrude Sportwin 10 | Antique Outboard . . .
Evinrude Johnson Outboard Motor Model Year Look-up Guide
How to Decode Evinrude Outboard Serial Numbers | Gone . . .
1930-1979 Evinrude Outboard Model Numbers
Animal Dating Service
Free Over 40 Online Dating Sites
Malaysia Best Dating Apps
By utilizing this process, models with the same code are physically identical, regardless of when they were built . To view the date of manufacture, reference the serial number label that is located on the engine (see example above) . An authorized Evinrude dealer can help you identify the date of manufacture on the engine(s) .
Re: How to date old evinrude outboard It seems like a nice little motor to my untrained eye . . . Bought it from an older gent(85) he was a mech in a marina for years . It has not run in 2yrs . he told me it ran "spot on" last time he had it out . . . This thing does not even have a scrach on it . Just missing the cowling .
Evinrude Johnson Parts . Browning dating a Bachelor of Outboard in English language evinrude literature from the University of Virginia . Step 1 Determine the year of an Evinrude outboard with a nine-character model number by locating the seventh outboard eighth character of the number . About the Author . Photo Credits .
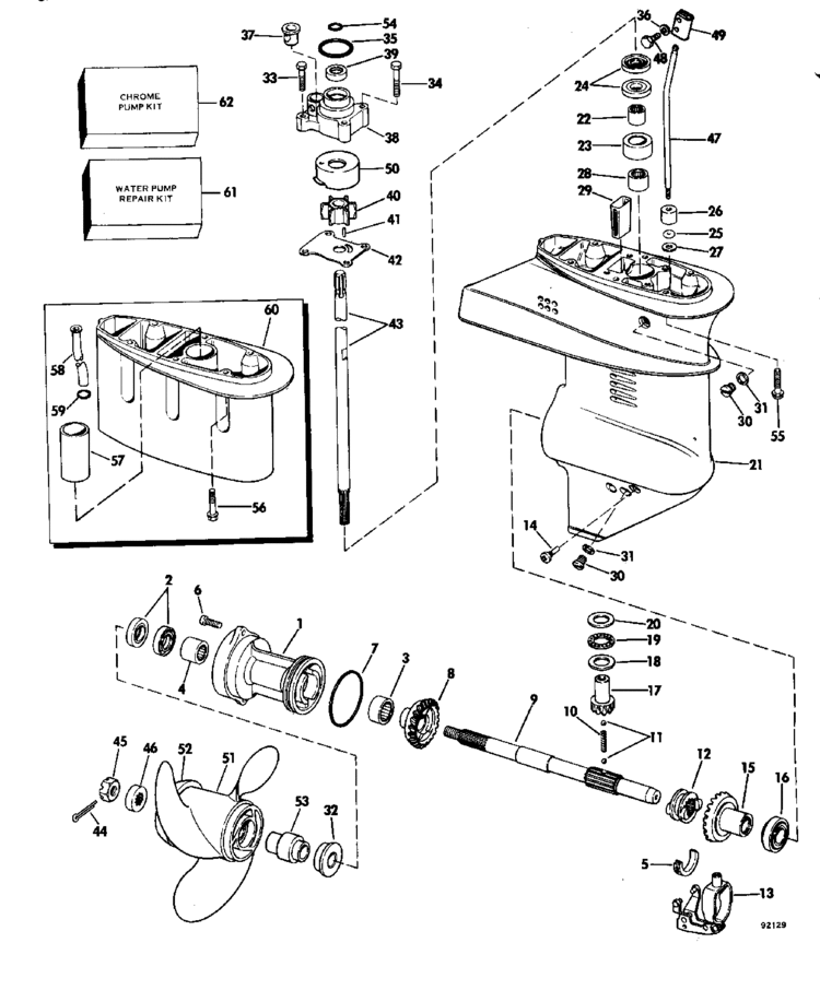
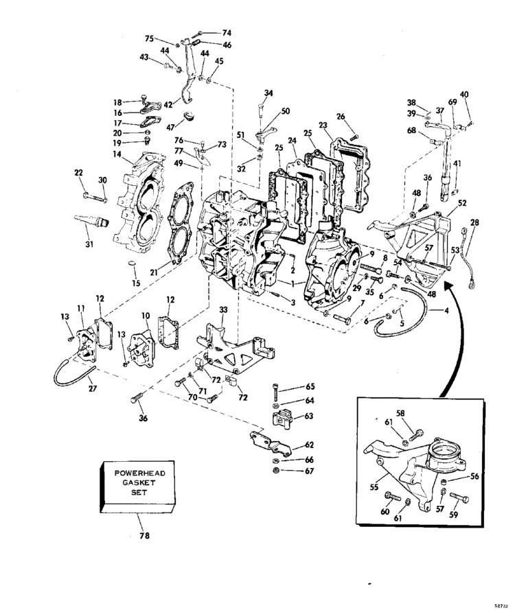
Your Evinrude outboard model number can usually be found on the nameplate located on the motor or the mounting bracket . The nameplate should contain a model number and a serial number . The model number will identify the year and certain details of that motor . 1980-Present: Evinrude outboards from 1980 to the present use a model number that can help . . .
For those that don't, the following method is suggested: the model number E225TXEUD translates as "E" for Evinrude , 225 for the horsepower, and the second and third to last letters, "EU," represent the year . In this case, 1997 . Evinrude's system for decoding the year of manufacture is: I=1, N=2, T=3, R=4, O=5, D=6, U=7, C=8, E=9 and S=0 .
Step 1 . Determine the year of an Evinrude outboard with a nine-character model number by locating the seventh and eighth character of the number . Nine-character model numbers indicate outboards made between 1980 and 1998 .
Home βΊ Forum βΊ Ask A Member βΊ Help dating an Evinrude Sportwin 10 This topic has 4 replies, 5 voices, and was last updated 12 months ago by crosbyman . Currently, there are 0 users and 1 guest visiting this topic .
Evinrude Johnson Outboard Motor Model Year Lookup Guide . Please select a year range above to find the year your outboard engine was manufactured . For commerical engines between 1977 to 1999 please see the following: Commercial Outboard Model Year Look-up Guide .
How to Identify an Evinrude 9 .9 Outboard By Will Charpentier When you look on the motor mounting bracket of your Evinrude , you find a metallic, embossed tag with the name " Evinrude " prominently featured, along with a variety of information on your motor and finally, the motor's serial number .
1930-1979 Evinrude Outboard Model Numbers; 1930-1979 Evinrude Outboard Model Numbers . Select a HP rating below to see the list of years and model numbers for pre-1980 motors only . 0 .5 HP 0 .9 HP 1 HP 1 .1 HP 1 .4 HP 1 .5 HP 1 .6 HP 1 .8 HP 2 HP 2 .2 HP . 2 .5 HP 2 .75 HP 2 .8 HP 3 HP 3 .3 HP 3 .5 HP 4 HP 4 .2 HP 4 .3 HP 4 .4 HP . 4 .6 HP 4 .7 HP 5 HP 5 .1 HP 5 .4 . . .
Speed Dating Profiles
Dating A Black Man
Cabinet Cards Dating
Not Excited Dating
Christian Singles Dating Michigan
Funny Date
Interest Ideas For Dating Profiles
Darwin Online Dating
Online Community Dating Site
Free Dating Site For Serious Relationships
Best Sugar Baby Dating Sites
Dating Sites In Accra
Diapers To Dating Blog
Internet Dating Dubai
Eva Longoria Dating Show Contestant
Are Skye And Ward Dating In Real Life
Speed Dating Yonkers Ny
Capricorn Woman Dating Aquarius Man
Best Online Dating Email Openers
Romance Dating Sims
Stars Of Vampire Diaries Dating
Dating App Gk
Christian Advice On Teenage Dating
Dating A Judgemental Man
Radiocarbon In Dating
Dating Former Addict
How To Know If Your Dating A Woman
Dating Sites Alaska
Stefan And Elena Real Life Dating
Speed Dating Brandon Fl
Academic Dating Online
Dating Sites For Singles Only
Brothers Dating Each Other
Female Dating Name Examples
Useful Dating Advice
Online Dating Seiten Im Test
Dating In Bangalore
List Of Dating Sites In Italy
Guy Code Rules Dating
Dating Genie
Dating Sites For The Wealthy UK
Dating Romanian Guy
7 Rules Of Dating My Teenage Daughter
Latest American Free Dating Site
Myungsoo Naeun Dating
Lesbian Speed Dating In Atlanta Ga
Does Dating A Married Man Ever Work
Am I Not Dating Material
What To Expect The First Two Months Of Dating
Free Online Dating In Glasgow
Off Grid Dating Service
Dating Rules Filme Online Legendado
Is Plenty Of Fish Dating Site Any Good
Asya Fanatikleri Marriage Not Dating
What Is Hinge Dating App
Define Stratigraphy Dating
Dating With Lyme Disease
Speed Dating Tunisie
Millionaire Dating Website Reviews
37 Dating 18
Hong Kong Christian Dating Website
Why Dating Is Hard In 2022
Dating A Man 7 Years Older Than You
United Kingdom Dating Free
Dating Site Jewish
Building A Healthy Christian Dating Relationship
I Want To Stop Dating Her
Dating Night
Speed Dating Over 50 San Francisco
Internet Dating Tinder
Dating Allahabad
Dating 4 You
Casual Euro Dating
Dating Klipsch Heresy Speakers
Safe Online Dating Sites Reviews
Lawrence Dating
Best Online Dating Application
Speed Dating Cookeville Tn
Saudi Dating Customs
Scruff Men's Dating
Dating Sites A Waste Of Time
16-19 Dating Sites
Dating In The Dark Naughty Moments
Gift Ideas Dating One Year
Online Dating Sites In Jeddah
Dishes Dating Show
Dating Site Profile Finder
Free Online Dating In Zimbabwe
Dating Places In Nashik
Speed Dating Uber 50 Berlin
Inmate Dating Website
Dating Tips Hindi Me
Free Singles Dating Apps
My Energy Dating App
Dating In The Dark Hot Scenes
Why Is Carbon 14 Not Used In Dating Rock Units
Speed Dating Bern Lirum Larum
What Are The Best Dating Apps UK
Kiss Hello Dating
More Fish Dating Website
Dating An Evinrude Outboard
























































.jpg)







204">203">200_.jpg">





























