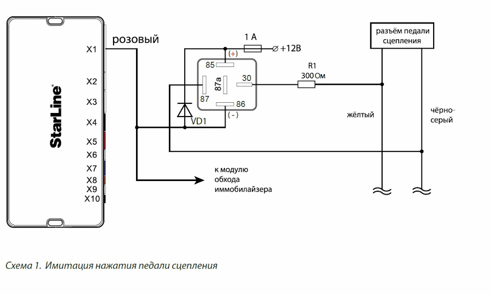
Датчик выжима сцепления
Премьера в сосновке 1986
Светильник galad победа xs led 60
Ксенон напряжение
Полки hyperline
К каким участкам земной коры они приурочены
Кун пку 0.8 мтз
Электронное письмо не дошло до адресата
Седакова до пластики
Двери б у алматы
В каких строках есть метафора
Сидение для волокуши своими руками
Размеры в системе допусков и посадок
Озон литые елки
Датчик выжима сцепления 83 фотографий

















































































