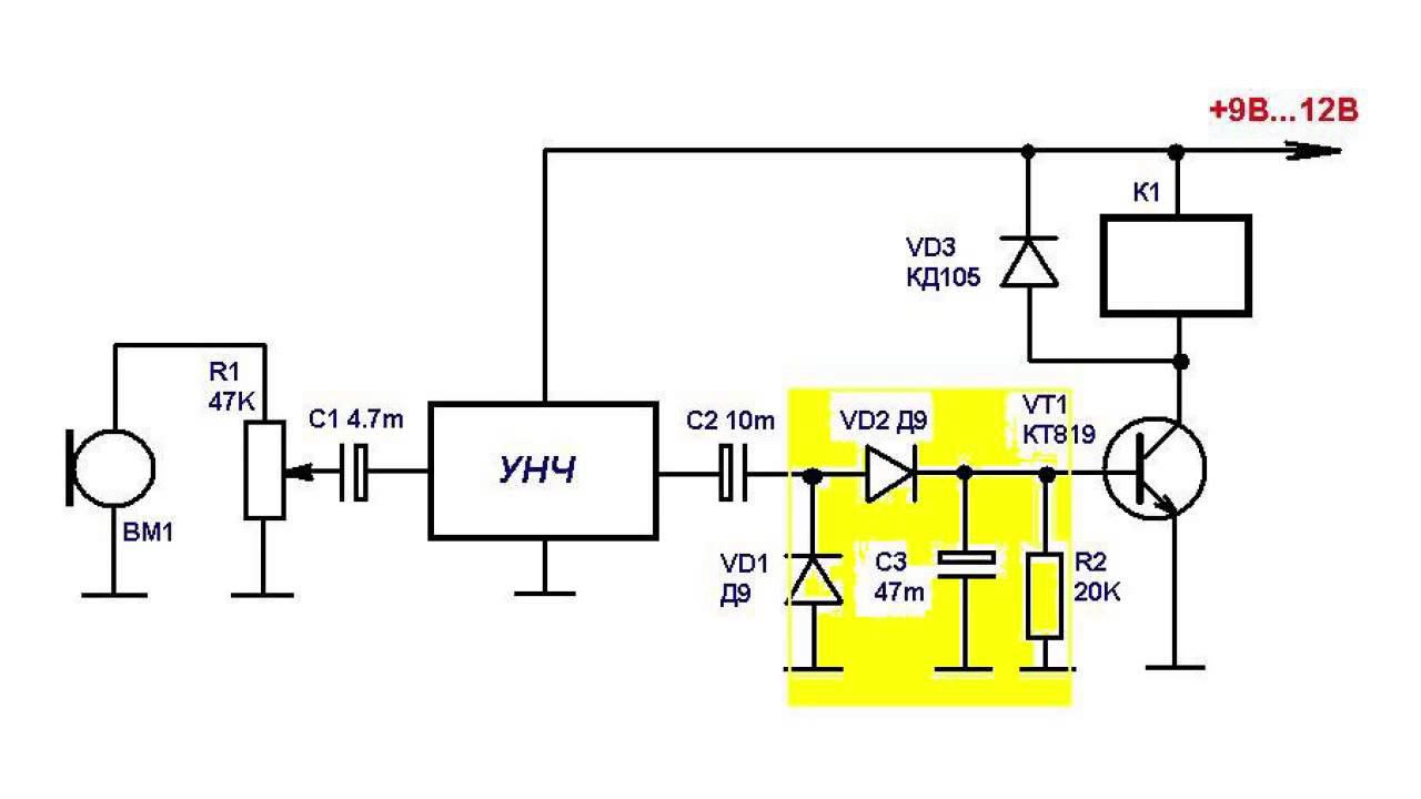
Датчик реле на схеме
Удлинитель ремня детского кресла
Алиса в зазеркалье трейлер
Двойное оплодотворение у покрытосеменных схема
Степана разина ростов на дону
Футбол мексика лига де экспансьон турнирная таблица
Билайн колл центр шымкент
Королев банки обмен валюты
Танцуем под 90х
Пирог с грушей и сыром с плесенью
Глициния рост
Управление процессом производства пример
Контракт о пребывании в резерве
Ур соц
Датчик реле на схеме 104 фото
































































































