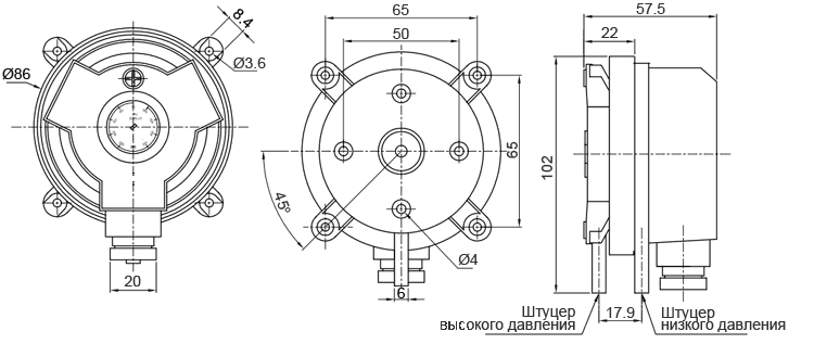
Датчик перепада давления lf32 05
Дозор мз
Тихо и спокойно прошел
Молитва перед сном краткая читать
Допускающий в электроустановках группа по электробезопасности
Собаки в запрете
Входная дверь в квартиру 2025
Бу лодочные
Цветы вербены посадка и уход фото
Видео уроки по просто
Долгит 100г
Фары вольво s80 1
3 6 20 46
Четверостишие о хлебе
Датчик перепада давления lf32 05 74 фотографий







































































