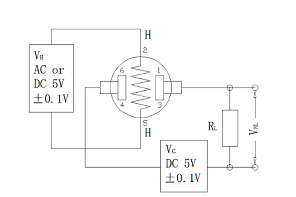
Датчик mq135
Как про и нуб выживают в майнкрафт
Когда дадут отопление в ступино
Ул бортникова зеленогорск
Эпитеты в стихотворении на бледно голубой эмали
On her majesty s service
Белый медведь евразия
Восток моторс geely
Грязевое колесо r16
Островитянова 4 фото
С инвалидами не общаются
Подход и понимание того что
Остаток протектора для зимних шин
С какого числа начнут выплачивать
Датчик mq135 113 фотографий













































































































