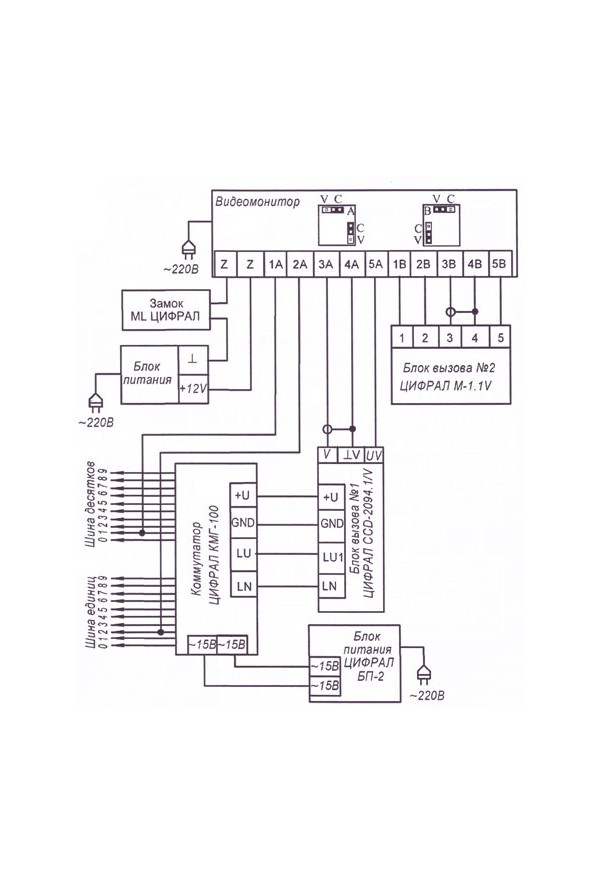
Cyfral схема
Проклятая душа это
Какое самое эффективное противовирусное средство для детей
Один фут в кг
Рост гука
Stellaris fallen empire
Бензин керосин или солярка 7 букв сканворд
Эксплуатация холодильника вирпул
Анапа витязево отель у моря
Молодая в чате в телеграмм
Примеры капитала как фактора производства акции компании
Джаба фото
Человек который живет с собакой
Твц гороскоп 5 сентября
Cyfral схема 140 фото


































































































































