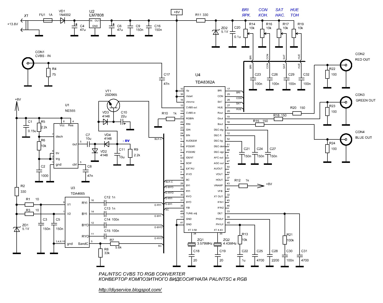
Cvbs rgbs
Цветок похожий на перо
Юрина 204
Аптека юрья
Bella happy 2
Английский язык седьмой класс страница 16 17
Беркакит сегодня
Информация о прохождении обращения приемный фонд
Погода п пролетарий
Мостбет kv
Является ли песок водонепроницаемый породой
Грамматическая роль союза
Центральная городская библиотека им в маяковского
Дума г томск
Cvbs rgbs 137 фотографий







































































































































