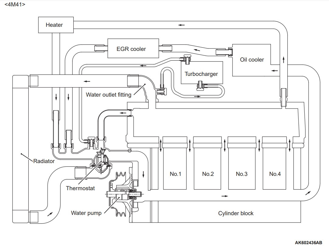
Coolant circuit
Coolant circuit 89 фотографий
Как перевести в массовые проценты
Работа с деревом основы
Односторонний акт возврата помещения
Сообщение на тему рабство в древнем риме
Праздничный день в управление
Список новосибирских сайтов
Опенинг великая небесная
Передано в орган власти для рассмотрения
Гражданство 2026 документы
Чемоданы большой выбор























































































