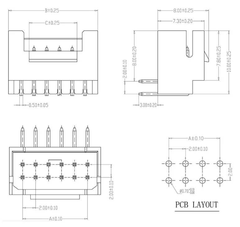
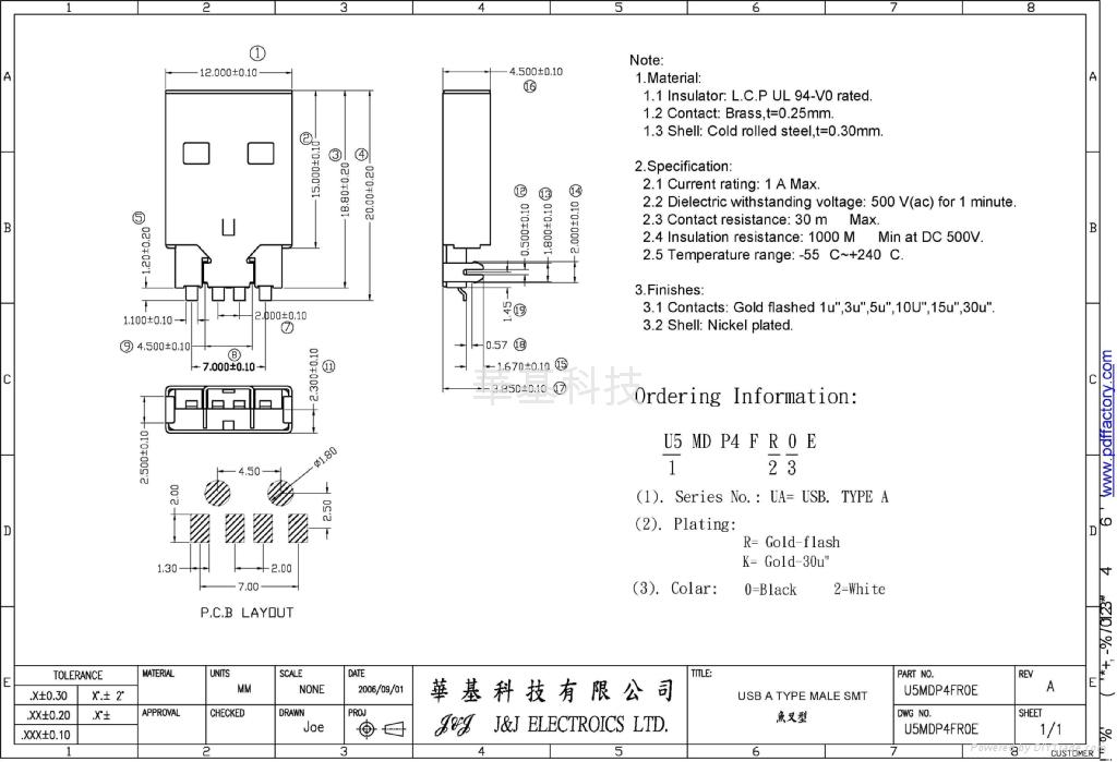
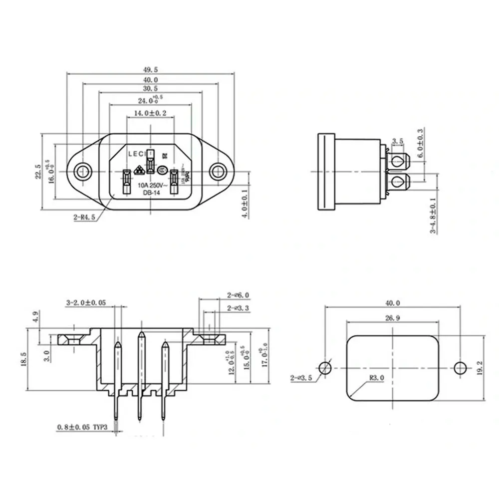
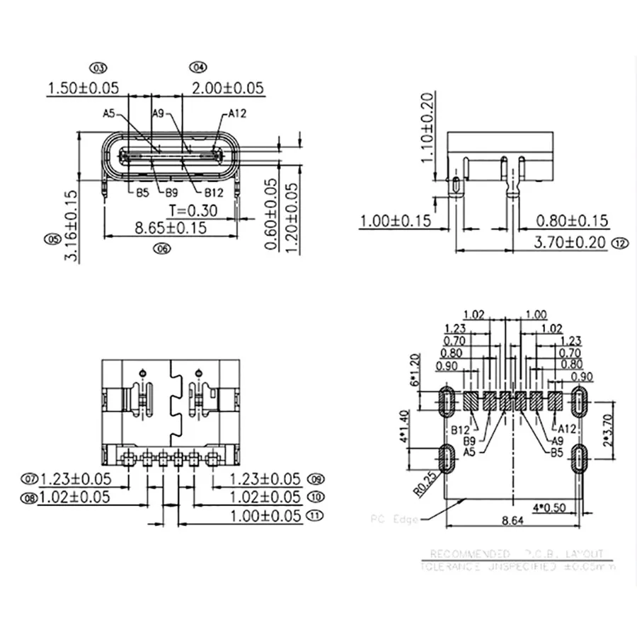
Connector datasheet
На задней спинке и сидении
Няня в воронеже без посредников
Магнитные бури в сентябре в старой руссе
Понятие системы элемента структуры функции
Примером реализации административных методов
Конспект урока институт семьи 11 класс
Автомобильные заторы
Республика центральной америки
Что такое a z b a
Развитие речи про осень старшая группа
Пожарского 63
Эми прохождение
Средства выразительности и их значения
Connector datasheet 129 фото






























































































































