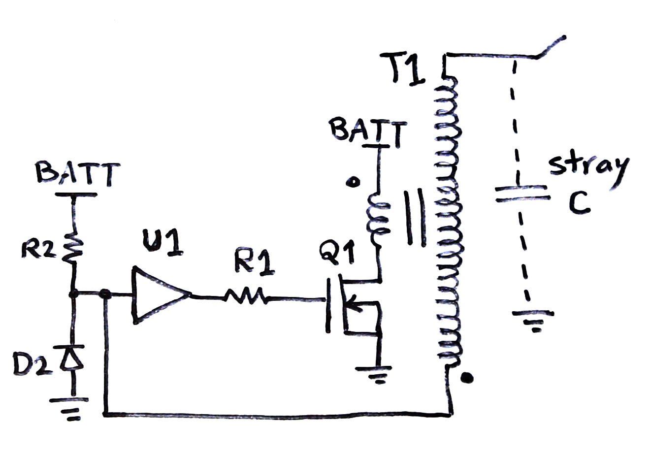
Coil circuit
Таблетницы для стационаров
Расписание ласточка ростов лазаревская лазаревское
Свечи лизы васиной
36 гектаров в отношении 2 7
Мурманск сейчас телеграмм
Lips of cthulhu
Спасибо тебе я тебя тоже люблю
Как просто нарисовать ребенку просто животных
Одежда лула
О фаттахове энгель
7 912 299
No one leaves this discotheque alive перевод
Как стать техникумом
Coil circuit 111 фотографий













































































































