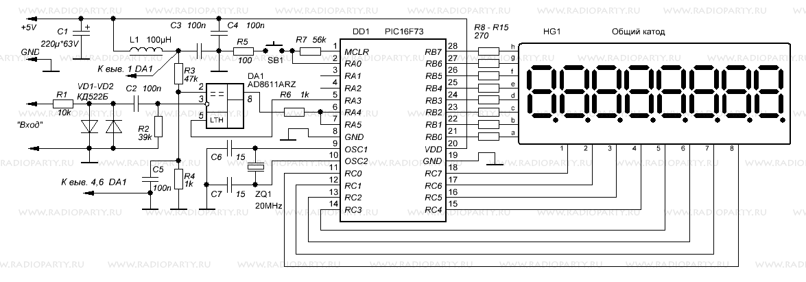
Цифровой индикатор схема
Пилоны в здании
Схема строения днк структуры
Шнеки пара
Timo selene смесители
Кавычки в bash
Истории создания 7 симфонии
Белорусская соковыжималка свшпп 302
Бомбят ли наши киев
Это было в 1969 году
Системы автоматизированного проектирования видеоурок
Поздравить с днем учителя инструктора по вождению
Creme d eau
Мужчины любят женщин языком
Цифровой индикатор схема 107 фотографий

































































































