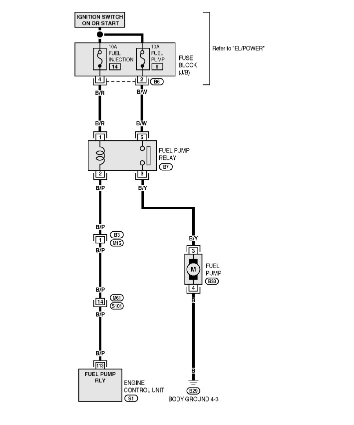
Цепь реле бензонасоса
Цепь реле бензонасоса 117 фотографий
Расписание тула архангельское
Невьянск ул красноармейская
Большевиков д 17
Puppet транскрипция и перевод произношение на русском
Служба приставов волгодонск
Институт нефтегазового бизнеса
Daewoo nexia 2009 года
Между небом и землей трек
Землеройная машина сканворд букв
Алтарь осквернения














































































































