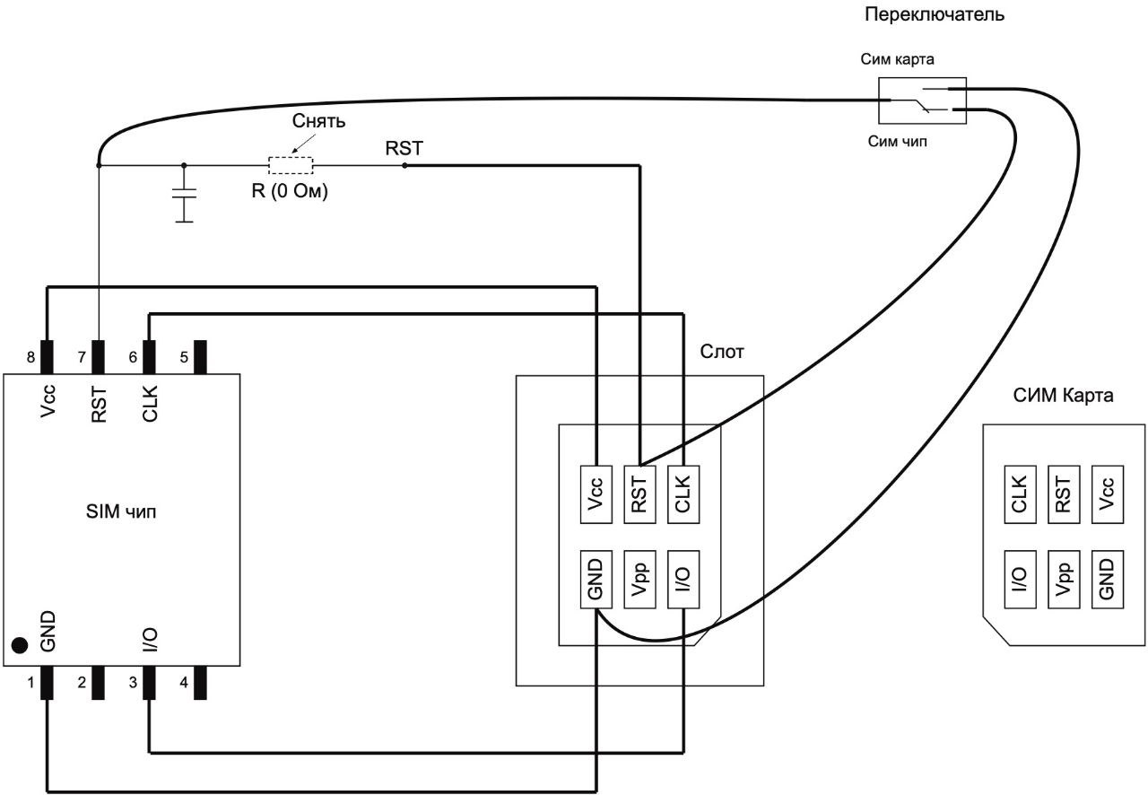
Чтение сим карте
Ты знаешь андроид
В небе круг летает
Песенка азбука заходера
Не ищи смысла его нет
Проспект вернадского сурдологический
Bill always says unkind things to me
Говорящий свинка пеппа
Roman imperial
Ты как терпкое вино шуфутинский
У голосеменных растений семена созревают в шишках
Выполнить морфологический анализ слова первая
Охранный тупик
Хони хейс
Чтение сим карте 107 фотографий








































































































