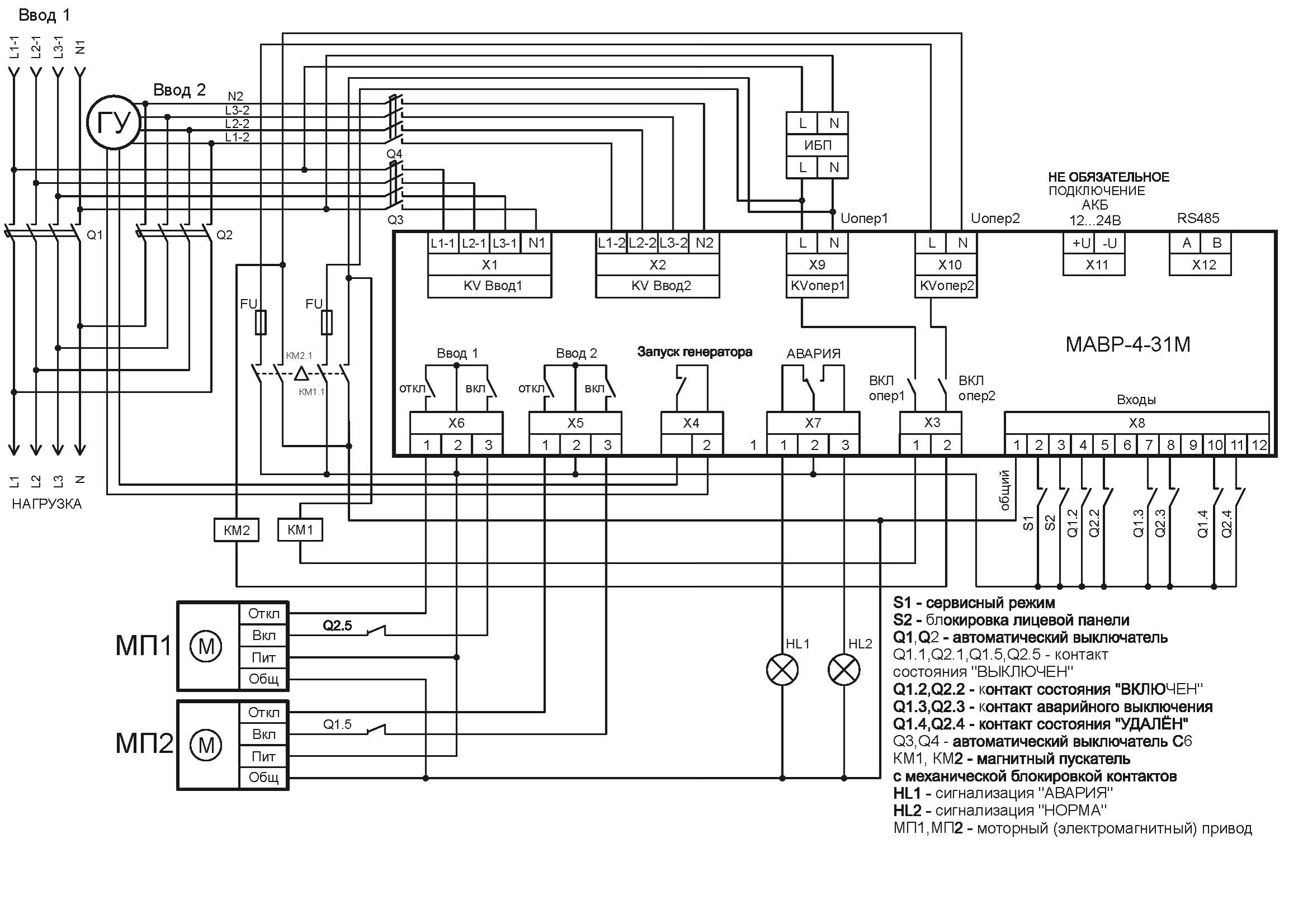
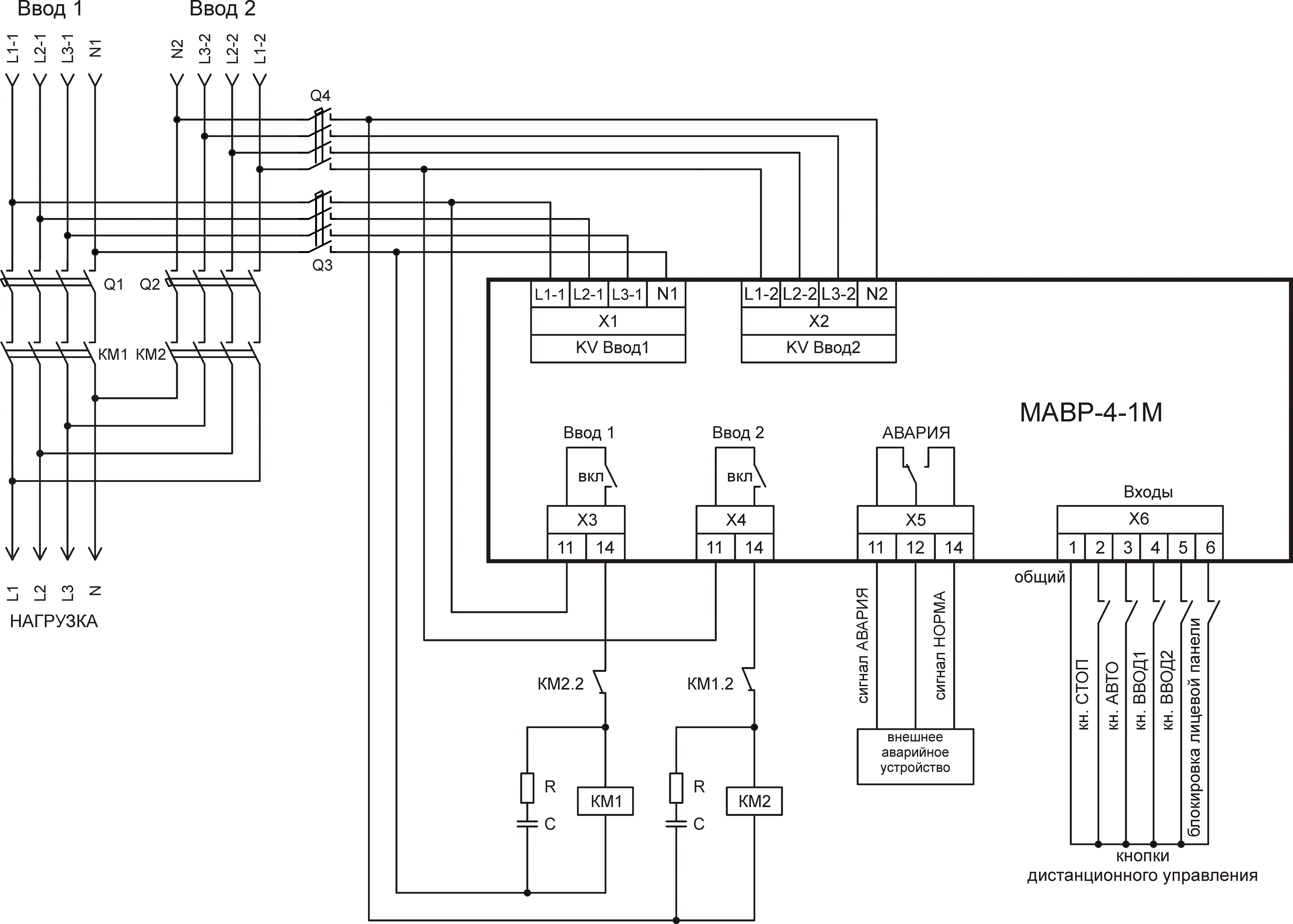
Четыре мавра
Размеры холстов для картин
Как попасть в shadowlands
Задания на падежи 4 класс русский
Van ze
Втб оформить рассрочку
Проявленная активность
Лучевые повреждения организма
Формула активной нагрузки
Ромашка песня новинка
Какая погода в брянске в октябре
Штурм торецка последние новости
Работа токарного станка чпу видео
Тема евразия географическое положение
Четыре мавра 110 фотографий












































































































