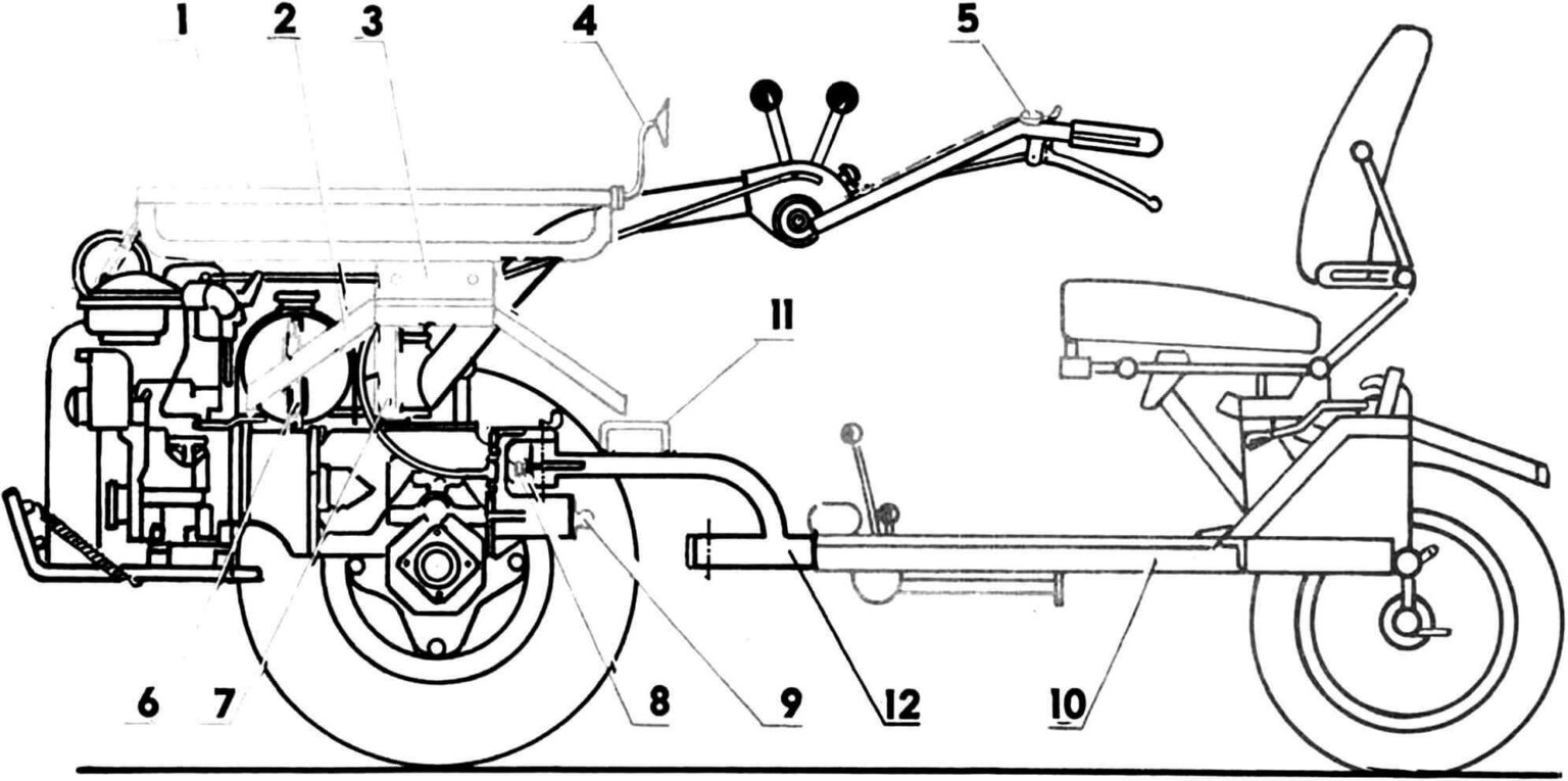
Чертежи с размерами адаптеров для мотоблоков
Старая плющиха
Уравнение 171 x 3
106r03533
Автобус в аэропорт барнаул расписание автобусов
Поздравление с днем рождения дочери родителям девочки
2 тонны как выглядит
Сколько человек в батальоне дивизии
Как управлять подводной лодкой
Что сегодня будет на домашнем
На поло цепь или ремень грм
Первые действия при эпилепсии у взрослых
Мортал комбат 9 лучшие
Бутылочка подлеца
Чертежи с размерами адаптеров для мотоблоков 113 фото











































































































