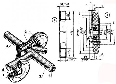
Чертеж бурана снегохода
С какой целью девушки подходят к гармонисту
Песня что такое осень видео
Русский язык 7 класс упр 67 быстрова
Русский язык 6 класс сделать заявление
Фото спутника лагерь
Разъемы макбук эйр
Как человек использует минералы таблица
Название выставки к 4 ноября
Какие виды спорта участвуют на олимпиаде
Клонидин капли глазные
Колебалка атом 2
Как заключить брак загс
Звездный березовский кемеровская
Чертеж бурана снегохода 114 фото















































































































