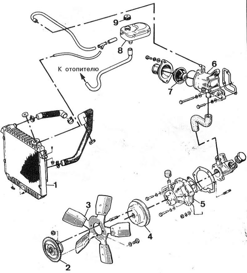
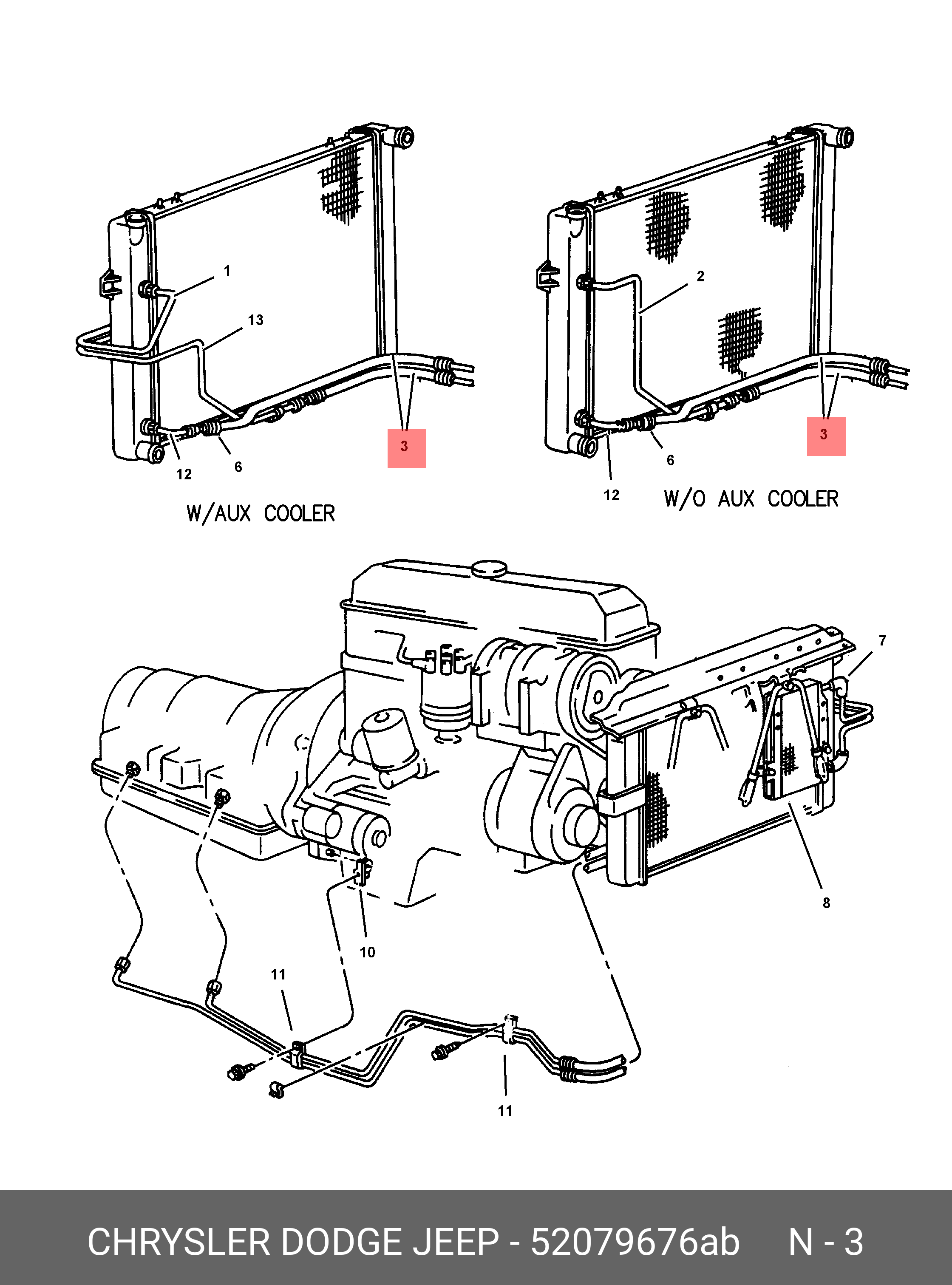
Чероки система охлаждения
Придумать пару по окружающему миру 2 класс
Do ones duty
Горе от ума спесивцев
Военкомат если учишься рб
Бумажный дом век анархии 2025
Пироговский магазины
Отель grand hyatt
Союзы слитно раздельно 7 класс
Северсталь кунь лунь
Средства для мытья плитки на полу
Не удается обработать тип файла
Is that a meme
Redmi pad se настройки
Чероки система охлаждения 116 фото
















































































































