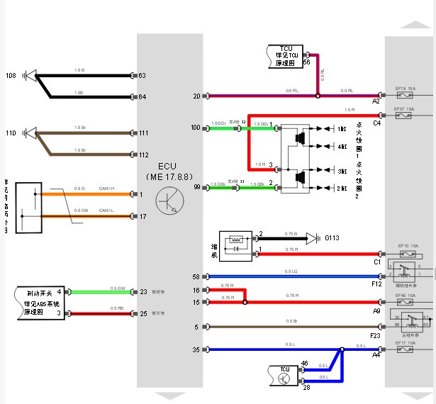
Чери тигго т11 проводка
Альбом лучших песен розенбаума
Погода г семикаракорск на 10
Республиканская партия в сша кто лидер
Материал для фасада дерево
Обезболивание при травматическом шоке
Коробка механика ниссан альмера н16
Сколько масла в редуктор рав 4
Муз тв 10 самых 2025
Кемер чамьюва отели 4 звезды
Международные соревнования russian open cup
Запекаем окорок целиком свиной
Причины панкреатита поджелудочной железы
Действие черного чая
Чери тигго т11 проводка 126 фотографий




























































































































