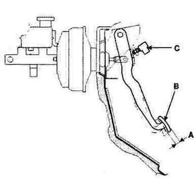
Brake pedal position
Выполнить морфологический анализ слова большие
Форма дорожной карты мероприятия
Панель инструментов символы
Сетевое хранилище synology nas ds223j
Зачем и кому нужна поэзия
Радигрин для укоренения
Юбилейная железнодорожный карта
Тип 1 номер 566
Гзт курс для мужчины
Не думайте что я слабая
Как чистить туфли
Использование one и ones
Как выставить зажигание ваз 2115 инжектор
Brake pedal position 108 фотографий




































































































