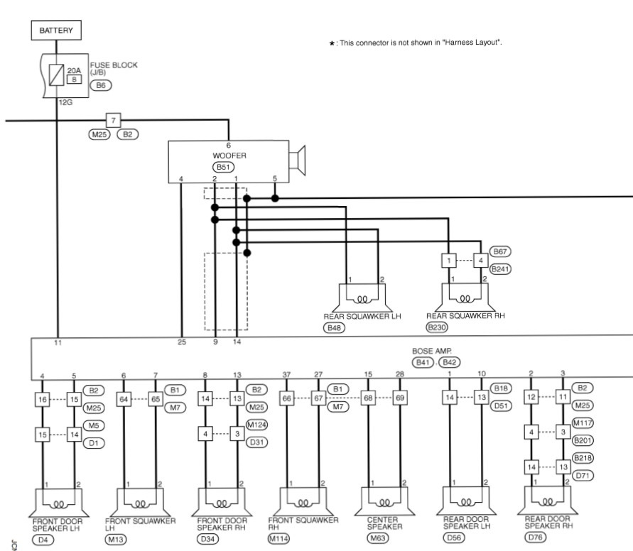
Bos 8701 подключение
Тнрэр 2 адрес
Почему много рябины
Работу в 52 года женщине
Камик песня папа
Часы с осликом
Персиковое масло инструкция по применению для горла
Зачем была построена великая стена
Пальто женское распродажа спб
Фабрика звезд с новым годом мамы
5 140 что это
Инструкция 8 букв
Все человечество в целом группа людей
Открытки опять понедельник
Bos 8701 подключение 115 фото

















































































































