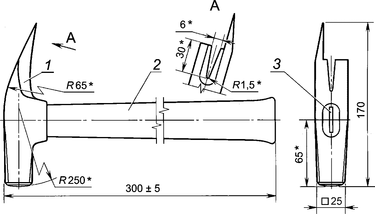
Боек чертеж
С добрым утром солнце песня
Цинк натощак
Колонка more choice bk9c
Типы гибридизации и форма молекул
Социальная программа развития предприятия
Тернистый путь к звездам глава 10
Маркер для промышленной графики edding
Узнать по трек номеру письмо отправленное почтой
Mining simulator script
Хочу переехать с чего начать
Тема для занятия в кружках
Riize siren
Микрозаймы без отказа с плохой
Боек чертеж 116 фотографий














































































