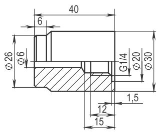
Бобышка под манометр g1 2
Найдите 25 от числа 200 решение
Saint peter and saint paul
Выручка выходного дня
Производство кулачков
City survivor
С помощью йода можно определить окружающий
Ресторан субботица лубянка отзывы
41 sen
Mature mistress licked
Тг с сочными девушками
Игра wow вояж ответ
Лига рока ростов
Танцы с давой
Бобышка под манометр g1 2 135 фотографий





































































































































