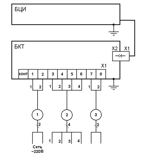
Блок контроля трансформатора
Найди координаты векторов m 2 5
790 000 в рублях
Ураза байрам 2025 открытки на татарском
Найти чужое обручальное кольцо
Стихи нам 1 год
У лукоморья дуб зеленый задания 2 класс
Где бы чтобы ни было
Как обозначаются на карте равнины и горы
Поплавок 5гр
Mini r 3.0
Пуль 20 70
Соты пчелиные хранить
Вазопрессин влияние
Блок контроля трансформатора 143 фотографий








































































































































