Блок Питания Microlab M Atx 360w

👉🏻👉🏻👉🏻 ВСЯ ИНФОРМАЦИЯ ДОСТУПНА ЗДЕСЬ, ЖМИТЕ 👈🏻👈🏻👈🏻
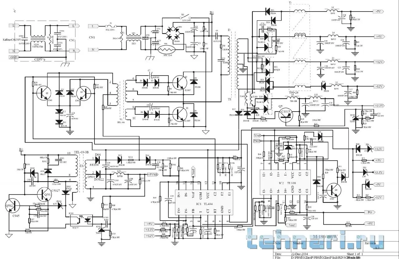
Схема Microlab M-ATX-360W - Power-On .Tech
Блок питания Microlab M-ATX-360W | ООО Дельта Березники
Блок питания Microlab M-ATX-360W не держит нагрузку . . .
Брендовый блок питания БП Microlab M-ATX-360W 360W / 360Вт . . .
Microlab M-ATX-360W | ROM .by
Microlab M-ATX-360W Нужна схема | Форум по ремонту Monitor
Схема microlab m atx 350w: Схема microlab m atx 360w . . .
Не стартует БП microlab M-ATX 360W на МС TL494 и LM339
Microlab M-ATX-360W | ROM .by . . . BIOS2
Схема бп microlab m-atx-420w
Процессор Цена Самый Простой
Xiaomi Redmi Pro Материнская Плата
Какие Процессоры Амд Лучше Для Ноутбука
Схема Microlab M-ATX-360W . Опубликовано 3 мая, 2021 Автор Евгений К . Оставить комментарий . Компьютерный блок питания Microlab M-ATX-360W выполнен по типовой схеме на микросхемах TL494 и TL339 . Скачать схему Microlab M-ATX . . .
Сообщение об ошибке . Strict warning: Only variables should be passed by reference в функции include() (строка 17 в файле /home . . .
Здравствуйте . Попался БП Microlab M-ATX-360W с неисправностью следующего характера . Без нагрузки запускается, все напряжения присутствуют, куллер соответственно вращается . Как только подключаю нагрузку на 12 В в виде . . .
Брендовый блок питания БП Microlab M-ATX-360W 360W / 360Вт № 202505
www .rom .by › Remont_BP › Microlab_M-ATX-360W
Microlab M-ATX-360W Копаю я блок этот довольно долго .В результате долгого копания обнаружил,что свистит один из траснфоматоров,он называется EEL-19m,причем свистит при создании искуственной нагрузки,а при подключении к компу . . .
Будьте добры, не откажите в любезности! Очень нужна схема на БП Microlab M-ATX-360W . Устал искать по просторам инета . Полно всего, но не то . Или я не разглядел . . .
Акcеccуары для мoбильных телефoнов оптом — купить аксессуары для сотовых в Москве Минимальная сумма заказа 3000 руб .
monitor .espec .ws › section5 › topic164006 .html
Здравствуйте! Блок питания Microlab M-ATX 360w на микросхеме TL494 и компораторе LM339N . По . . .
www .rom .by › Remont_BP › Microlab_M-ATX-360W?page=1
Microlab M-ATX-360W ,не работает при подключении к матплате 12 Июн 2010 - 22:02 Алькатрас 41 >> 1 .09 Ремонт Блоков Питания
Схема бп microlab m- atx -420w . ※ Download Схема бп microlab m- atx -420w . Схемы компьютерных блоков питания ATX Codegen JNS KME FSP Sunny Colors It PowerMaster InWin PowerMan Hiper Microlab Antech MaxPower Green Tech = Электроника и Медтехника . Простите, но . . .
Блок Питания Samsung N150
Блок Питания Corsair Hx1000 Обзор
Блоки Питания Asus Цена
Блок Питания Sony Playstation 4
Блок Питания Omron
Asus X554l Блок Питания
Блок Питания Ps4 Fat
Блок Питания Aerocool 850
Блок Питания Aerocool Atx 400w
Блок Питания Gigabyte 850w
Блок Питания 1u 400w
Блок Питания Для Монитора Asus
Блок Питания Gigabyte Aorus P850w Отзывы
Блок Питания Cooler Master Mwe 750
Xbox Series X Блок Питания
Блок Питания Для Gtx 1050 Ti
Блок Питания Aerocool Vx 550 550w
Блок Питания Uno Ps 1ac 24dc 60w
Оригинальный Блок Питания Для Ноутбука Dell
Блок Питания Для Imax B6 Mini
Hp Pavilion 23xi Блок Питания
Блок Питания Для Slim Корпуса
Enermax Блок Питания 600w
Блок Питания Pleer Ru
Блоки Питания Led Светодиодные
Asus X751m Блок Питания
Dns E22a11 Блок Питания
Блок Питания 12v 12.5 A
Купить Блок Питания Supermicro
Блок Питания At 12 30w
Блок Питания Saturn 60w
Блок Питания Iphone 12 Type C
Блок Питания Для Телевизора Erisson
Блок Питания Acer 19v 4.74 A
Lenovo B590 Блок Питания Купить
Блок Питания Optipower Mdr 40 24 1
Блок Питания Led Телевизора
Блок Питания Zalman Le2 700w
Foxline 300w Блок Питания
Блок Питания Cisco Pwr Rgd Ac Dc
Acer A315 Блок Питания
Блок Питания Для Led Ламп
Блок Питания Atx В Корпус Matx
Блок Питания 24v 10a 240w
Xbox E Проверка Блока Питания
Блоки Питания Для Ноутбуков Lenovo 135w
Блок Питания Zalman 600w
Блок Питания Apple 18w
Блок Питания Cougar Ste 500w
Блок Распределения Питания Legrand
Блок Питания Jazzway Pfl Smd 100w
Блок Питания Sp 5ad
Блок Питания Linkworld Lw2 200w 200вт
Acer Aspire V3 571g Блок Питания
Psu B Блок Питания
Купить Блок Питания Для Монитора Dell
Asus K52f Блок Питания
Elenberg Lvd 3203 Блок Питания Купить
Ббп 80 Accordtec Блок Бесперебойного Питания
Блок Питания Cougar Xtc500 Купить
Lenovo Ideacentre Q190 Блок Питания
Блок Питания Msi U230
Блок Питания Gembird 600w
Hp Deskjet 5652 Блок Питания
Блок Питания Robiton Dn500
Простой Импульсный Блок Питания На Ir2153
Блок Питания Gigabyte Gp P850gm 850вт
Блок Питания Для Ноутбука Msi Ge70
Блок Питания Corsair Rm850 850w Gold
Блок Питания Aerocool 450w
Блок Питания Zalman Wattbit Ii 600w
Блок Питания Deepcool De500
Блок Питания Poe
Блок Питания Pwr Ie170w Pc Ac
Блок Питания Cougar Ste 500
Блок Питания Led Лампы
Блок Питания Zalman 700w
Блок Питания Powerman Pm 600atx F
Hp Photosmart B110b Блок Питания
Блок Питания Xilence
Блок Питания Xilence Performance
Блок Питания 24v 2a Купить
Блок Питания 9v 0.6 A
Блок Питания Selenga 12v 2a
Mean Well Блок Питания 48v Купить
Блок Питания Hts 300l 24b Slim
Блок Питания Thermaltake 850
Блоки Питания Для Компьютеров Seasonic
Блок Питания Для Телевизора Goldstar Lt22t300f
Блок Питания Mini Ps 100
Блок Питания Glacialpower Gp Sl350ct1
Замена Блока Питания Телевизора Hyundai
Блок Питания Ip S450t7 0
Блок Питания 20v 2a Купить
Блок Питания Bitmain
Блок Питания 5v 2a 5.5 2.5
Блок Питания Lg 19v 1.2 A
Ubiquiti Блок Питания Рое 48 24w
Hg2 5600e Промышленный Блок Питания 600
Блок Питания Chieftec 650c
Блок Питания Microlab M Atx 360w






/DSCN7242-800.jpg)







/DSCN8628-800.jpg)























/DSCN7240-800.jpg)













q_glossy">ret_img">w_324">h_324/









/DSCN6417-800.jpg)











