Блок Питания Iw P300a2 0

⚡ 👉🏻👉🏻👉🏻 ВСЯ ИНФОРМАЦИЯ ДОСТУПНА ЗДЕСЬ, КЛИКАЙ 👈🏻👈🏻👈🏻
Бп in Win Iw-p300a2-0 Не Запускается | Ремонт Компьютеров . . .
РадиоКот :: БП для автолюбителя из компьютерного БП . . .
Ремонт блока питания iw p300a2
Схема блока питания iw p300ax
Корпус in Win J523 — И Для Работы, И Для Дома
Iw p300a2 0 схема: Радиосхемы . — Блок питания IW — Мир . . .
Переделка Блока Питания Для Пк Power Man Iw-p350 В Блок . . .
Лабораторный БП из импульсного компьютерного - Страница 10 . . .
Блок питания iw isp350j2 эл схема
Cхемы компьютерных блоков питания ATX - Diodnik
Материнская Плата Matx Lga 1151
Подключение Материнской Платы Asus M2n Mx
Процессор Эффектов Для Акустической Гитары Купить
monitor .espec .ws › section5 › printview52874 .html
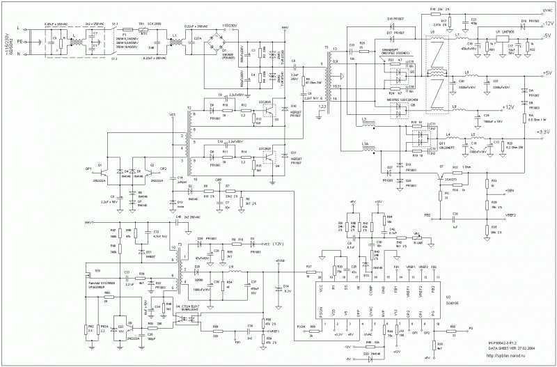
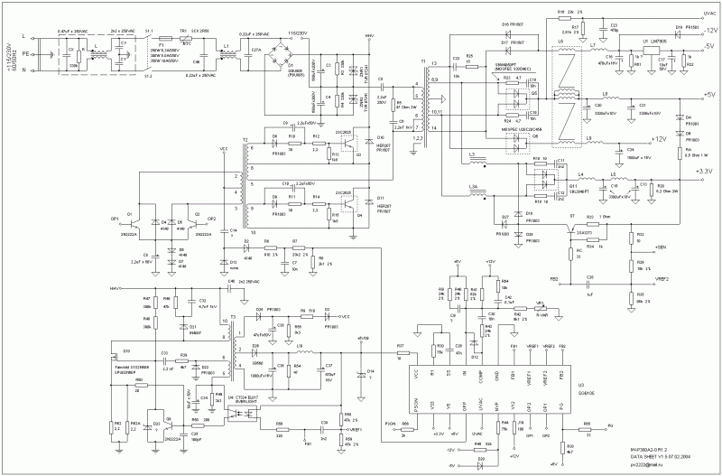
Блок питания in win / iw-p300a2-0 / не выходит из дежурного режима . При нажатии кнопки на передней панели включения компьютера блок питания пытается запуститься, что свидетельствует о кратковременном /долю секун
Поэтому решено было переделать компьютерный блок питания . Сам блок, для переделки, мне дали, и им оказался powerman iw-p300a2-0 и вот его схема . Временем раньше, был опыт переделки блоков, в которых . . .
Ремонт блока питания iw p300a2 Схема переделки блока питания для ПК power man iw -p350 в блок питания для трансивера 13,8v 22А . Переделка блока питания для ПК power man iw -p350 в блок
Схема блока питания iw p300ax . БП для автолюбителя из компьютерного БП powerman iw-p300a2-0 . Автор: Бубнов Максим (nickname "Тарчок") Опубликовано 03 .05 .2017 . Создано при помощи КотоРед . Всем привет!
Блок питания — inwin iw-p300a2-0 300Вт; Разъемы для подключения hdd/fdd/sata — 7/2/0 . Комплектация: Корпус с установленным блоком питания; 92-мм вентилятор на задней панели;
Найденная в интернете схема IW-P300A2-0 R1 .2 DATA SHEET VER . 27 .02 .2004 от pv2222 (at) mail .ru процентов на 90 совпадала с реальным блоком питания, документация на процессор SQ6105 (на данной плате установлен полный аналог — IW1688) тоже нашлась, так . . .
radioman-portal .ru › pages › 2160 › index .shtml
Найденная в интернете схема IW-P300A2-0 R1 .2 DATA SHEET VER . 27 .02 .2004 от pv2222 (at) mail .ru процентов на 90 совпадала с реальным блоком питания, документация на процессор SQ6105 (на данной плате установлен полный аналог - IW1688) тоже нашлась, так . . .
1) iw-p300a2-0 2) iw -p250a2- 3) ip-s400t7- соответственно 300, 250 и 400 Вт . Все прошли испытание автомобильной лампой h3 - 55 Вт, на выходах у всех было проседание с 12 В на 0,2 В .
Найденная в интернете схема IW-P300A2-0 R1 .2 DATA SHEET VER . 27 .02 .2004 от pv2222 (at) mail .ru процентов на 90 совпадала с реальным блоком питания, документация на процессор SQ6105 (на данной плате установлен полный аналог - IW1688) тоже нашлась, так . . .
Схема InWin IW-P300A2-0 . Схема SevenTeam ST-200HRK . Схема SevenTeam ST-230WHF . Схема DTK PTP-2038 . Схема PowerMaster LP-8 . Схема PowerMaster FA-5-2 . Схема Codegen 200XA1 250XA1 CG-07A CG-11 . Схема Codegen 300X 300W . Схема ISO-450PP . Схема PowerMan IP-P550DJ2- . Схема LWT 2005 . Схема . . .
Блок Питания Nes 15 24 Купить
Asus Adp 65jh Блок Питания
Блок Питания Iphone 5s
Блок Питания 600w Chieftec Elp 600s
Установка Dell T320 2 Блока Питания
Блок Питания 12v 4a
Купить Блок Питания Genh40 19 750w Фото
Блок Питания Atx Chieftec Pps 1050fc
Блок Питания Foxconn Fx 300t
Tp Link Блок Питания Купить
Mikrotik Sxt Lite2 Блок Питания
Блок Питания Thermaltake Tr2 700w
Блок Питания Для Роутера 12v 1a
Lenovo G50 Блок Питания Купить
Блок Питания Для D Link Dvg 7111s
Dell Inspiron 15 Блок Питания Купить
Адаптер Блок Питания 12v 2a
Блок Питания Linkworld Lw2
Epsilon 700 Блок Питания
Блок Питания Hp Deskjet F380
Asus Ux430u Блок Питания
Блок Питания Для Intel Core I7
Блок Питания Телевизора Sony Bravia
Блок Питания Для Компьютера Chieftec 650w
Блок Питания Acc 450w 12
Блок Питания Arpv 12200 B1
Купить Блоки Питания Linkworld
Блок Питания Thermaltake Toughpower Gx1
Блок Питания Acer 120w
Блок Питания Msi Mpg A750gf 750w
Блок Питания Cooler Master Elite V3
Блок Питания Gigabyte Gp P750gm 750w Отзывы
Acer A315 Блок Питания
Купить Блок Питания Boxit S450w
Блок Питания Для Ингалятора Omron
Блок Питания 12в 4 Pin
Внешний Блок Питания Для Монитора Samsung
Блок Питания Zalman Zm1200 Ebtii 1200w Ret
Писк Блока Питания Cooler Master V750
Блок Питания Для Монитора Samsung
Блок Питания Монитора Lg Ads 40fsg
Гарантия На Блоки Питания Corsair
Блок Питания Aerocool Kcas 700w Bronze
Блок Бесперебойного Питания Accordtec Ббп 60
Блок Питания Xbox 360 E Slim
Блок Питания 24v 20a 480w
Блок Питания Dell 450 Aebl
Блок Питания Macbook Air 45w
Блок Питания Corsair Cx750m 750w
Блок Питания Chieftec Ctg 750c
Блок Бесперебойного Питания Hiper Office 800
Блок Питания Accord Acc 500w
Rapport London Шкатулки Для Часов Блок Питания
Блок Питания Atx Chieftec
Блок Питания 5v 10a
Canon Pixma Mg2540s Блок Питания
Блок Питания Led Телевизора
Блок Питания Zalman Zm500 Xeii
Блок Питания Ars 200 24
Блок Питания Apple Magsafe 2 60вт
Блок Питания Для Ноутбука Dell Latitude
Выбор Блока Питания 4pda
Блок Питания Finepower Dnp 550
Блок Питания Телевизор Lg 32lj500v
Asus Zenbook Блоки Питания
Блок Питания Lenovo Ideapad 100
Блок Питания Atx 450
Блок Питания Для Монитора Benq 12v
Блок Питания Для Ноутбука Asus Ux463f
Mean Well Блок Питания 5в
Deppa Блок Питания Для Айфона
Lenovo B580 20144 Блок Питания
Блок Питания 5 V 1 A
Блок Питания Kcas 1000w
Adp 45fe F Блок Питания
Блок Питания 5v 2a Длинный Кабель Купить
Блок Питания Aerocool 600
Lenovo Z710 Блок Питания
Asus X550vb Блок Питания
Alex Gyver Лабораторный Блок Питания
Блок Питания Hp Laserjet
Блоки Питания Atx 12
Импульсный Блок Питания Для Усилителя Ka3525
Epson L110 Блок Питания
Блок Питания Asus 19v 2.37 A
Блок Питания Aerocool Kcas 800w Plus
Блок Питания Ac Ac 3 А
Блок Питания Atx Thermaltake
Блок Питания Ginzzu Sb500 500w Отзывы
Купить Блок Питания Power Supply
Блок Питания Critical Atom X
Блок Питания Для Ip Телефона Cisco
Блок Питания Omron M2
Блок Питания Siemens
Блок Питания Для Iconbit Hds8w 2000 Gb
Блок Аварийного Питания Nd Ef02
Блок Питания Xpg Core Reactor 850
Блок Питания 12 Вольт 1000 Ma Купить
Блок Питания 500ma
Блок Питания Powerman 500w
Блок Питания Iw P300a2 0


























































/DSCN2722-800.jpg)

























800">800">800">



