Блок Питания Fsp Atx 450pnf

👉🏻👉🏻👉🏻 ВСЯ ИНФОРМАЦИЯ ДОСТУПНА ЗДЕСЬ, ЖМИТЕ 👈🏻👈🏻👈🏻
Ремонт Блока Питания Fsp Atx-450pnf - Михатроник
Блок Питания Fsp Atx-450pnf 450 Вт — Купить, Цена И . . .
Rozetka | Fsp Atx-450pnf 450w . Цена, Купить Fsp Atx-450pnf . . .
Купить Блок Питания Fsp Pnf 450w [Atx-450pnf] В Интернет . . .
схема блока питания atx 450pnf
Бп И Ибп - Отличие Бп Fsp 450paf И Fsp 450pnf
Схема блока питания fsp atx 450pnr
Блок Питания Fsp Atx-450pnr-i 450 Вт — Купить, Цена И . . .
Блок питания FSP Group ATX-450PNR 450W — купить по . . .
Ремонт блока питания FSP ATX 350PNF | ROM .by
Разъем Com1 На Материнской Плате
Материнская Плата Am3 Купить В Москве
Самые Лучшие Процессоры Для Ноутбуков 2022
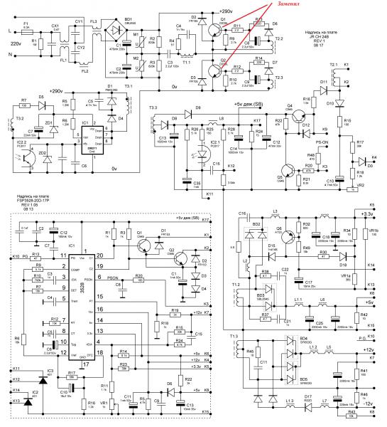
Ремонт - Ремонт блока питания fsp atx-450pnf . Для замены конденсаторов пришлось вынимать плату из корпуса, а для этого, нужно было отпаять провода идущие к тумблеру .
FSP ATX-450PNF — Блок питания 450 Вт ATX 12V с активным PFC 24+4 pin, 20+4 pin Коннекторы питания видеокарты: 1x 6-pin разъем
Блок питания fsp atx-450pnf 450w . Блок питания мощностью 450 w, atx12v v2 .2 c пассивным pfc . Система охлаждения: 1 вентилятор (120 мм)
Блок питания fsp pnf 450w [ atx-450pnf ] стандарта atx 12v 2 .2 — это эргономичное устройство, имеющее мощность в 450 Вт и pfc-корректор пассивного типа .
В ремонт попал блок питания fsp atx -400pnr со словами "раньше включался не с первого раза, а потом, при очередном включении что-то хлопнуло и задымилось" . Кулер блока питания без решётки .
forum .oszone .net › thread-118869 .html
Блок живлення atx fsp , 450w 450paf Блок живлення atx fsp , 450w 450pnf ??? Только не кидайте мне ссылки на километровые . . . блок питания - сердце и печень .
Внутри fsp atx -450pnr 450w видим интересную картину - продвинутый, но чрезмерно урезанный и значит удешевленный блок питания: на входе большие конденсаторы на 820 мкф х 200 вольт, на выходе 2200 мкф х 16 вольт .
FSP ATX -450PNR-I — Блок питания 450 Вт ATX 12V с активным PFC 24+8 pin, 24+4 pin, 20+4 pin Коннекторы питания видеокарты: 1х 6 / 8-pin и 1х 6-pin разъем
Блок питания FSP Group ATX -450PNR 450W — купить сегодня c доставкой и гарантией по выгодной цене . 20 предложений в проверенных магазинах . Блок питания FSP Group ATX -450PNR 450W: характеристики, фото, магазины поблизости на карте .
www .rom .by › forum › Remont_bloka_pitaniya_FSP_ATX_350PNF
Ремонт блока питания FSP ATX 350PNF . Здравствуйте . Помогите пожалуйста с ремонтом блока питания . Схему блока питания прилагаю . Блок питания работает, запускается, все напряжения в норме, но вот . . .
Блок Питания Epson Cx3700 Характеристики
Блок Питания С Разъемом Type C
Разъем Блока Питания Ноутбука Samsung
Блок Питания Higgs 650w
Foxconn Блок Питания Цена
Блок Питания 24 V 10 A
Блок Питания 5v 2a 5.5 2.5
Блок Питания Aerocool Cylon 700w Отзывы
Блок Питания Mikrotik 24v
Блок Питания Gembird 400w
Блок Питания Lenovo 20v 3.25 A 65w
Блок Питания 12v 3a Купить
Блок Питания Fsp Atx 400
Блок Питания Серверный 1u
Pavilion Блок Питания
Импульсный Лабораторный Блок Питания Element 3005d
Блок Питания 1 U
Блок Питания Philips Dps 130pp 2950298203
Лабораторный Блок Питания Yihua 3005d 30v 5a
Блок Питания Epa 334d 1
Купить Блоки Питания 80 Plus
Блок Питания Для Шуруповерта Sturm
Hp Scanjet 3670 Блок Питания
Купить Блок Питания 12v Ac
Блок Питания Zalman Watttera 1200w
Блок Питания Foxconn 450
Блок Питания Huawei Supercharge
Блок Питания Для Компьютера Zalman
Asus X553ma Блок Питания
Блок Питания Серверный Dell 0034x1a02 550вт
Блоки Питания Fujitsu Купить
Zalman I3 Блок Питания
Блок Питания Для Geforce Gtx 1050 Ti
Блок Питания Hiper Hpp 450
Блок Питания Cooler Master 700w White
Блок Питания Сетевой Адаптер Dc12v 1a
Блок Питания 1000w Titanium
Блок Питания 12в 5а Ip54 12 5.0
Блок Питания Corsair Rm650x
Блок Питания Seasonic Focus Gx
Блок Питания Atx 2.03
Подобрать Блок Питания Для Монитора Benq Vw2420h
Блок Питания 500w Aerocool Vx 500 Plus
Блок Питания Zalman Zm850 Arx
Блок Питания Для Led Ленты 12v
Dell Optiplex 790 Блок Питания
Hurricane Power Блок Питания
Блок Питания Acer 19v 4.74 A
Блок Питания Aerocool Vx 750 Plus
Блок Питания Ac Dc 5v 2a
Блок Питания Для Компьютера 24 Pin
Lenovo Блок Питания 230w
Блок Питания Ste 500
Блок Питания Atx Deepcool Dq750st
Блок Питания Exegate 1000pgs
Блок Питания Fatality 550w
Купить Блок Питания Для Монитора Benq
Блок Питания Asus 90w
Блок Питания Chieftec Iarena
Блок Питания Aerocool Sx 400 400w
Блок Питания Телевизора Dexp
Блок Питания Chieftec 1250w
Robiton Блок Питания 12v
Блок Питания Для Сканера Epson 1270
Lrs 350 48 Mean Well Блок Питания
Sony Pcg 71812v Блок Питания
Блоки Питания Xilence Цена
Купить Блок Питания Led 16w 1009 Ip20
Купить Блок Питания Samsung
Блоки Питания Led Ленты 24v
Acer A701 Блок Питания
Купить Блоки Питания Linkworld
Лабораторный Блок Питания Gophert Cps 3205
Mls 24w Блок Питания Led Power Supply
Real Power Блоки Питания
Arlight Блок Питания 24v 150w
Блок Питания Asus Tuf Gaming 650w
Блок Питания Thermaltake Tr2 750w
Блок Питания Для Принтера Canon Pixma
Блок Питания Для Компьютера 6 Pin
Блок Питания Inwin 600w
Блок Питания Chieftec Bbs 700s 700w
Блок Питания Mean Well Elg
Блок Питания Для Iphone 13 Купить
Led Obzor Ru Блок Питания
Кабель Для Блока Питания Gigabyte
Блок Питания Foxline Atx 400prs 400w
Блок Питания Cmpsu 600cxeu Corsair
Кулер Для Блока Питания Whatsminer
S298cp 4a Блок Питания Philips
Lenovo 330 Блок Питания
Штекер Блока Питания Ноутбука Lenovo
Импульсный Блок Питания На Uc3845
Блок Питания Atx 300w
Блок Питания Iphone 6
Xbox One Блок Питания Купить Спб
Блок Питания Тв Samsung
Блок Питания Back Ups Cs 500
Блок Питания 24 Din
Блок Питания Для Монитора Samsung 14v
Блок Питания Fsp Atx 450pnf
























































800">800">800">



























